AC/DC Power Supplies and Battery Chargers
Camtec HSE04801 SERIES AC/DC Power Supply
The Camtec HSE04801 Series AC/DC Power Supply is a high-efficiency, 480W powerhouse designed for demanding industrial applications. Engineered in Germany for superior performance and reliability, this DIN-rail mounted power supply is ideal for DC drives, galvanic systems, and UPS setups. With up to 91% energy efficiency, the HSE04801 Series ensures reduced energy consumption while maintaining stable and precise power output.
Read MoreFeatures
- 480 Watts Power Supply
- DIN Rail 35mm. Metal housing
- Up to 91% efficiency
- -20°C...+60°C full output power
- Free air convection
- PSU can be used as a battery charger due to constant current
Specifications
Selection Table
Technical Illustrations
Downloads
GENERAL | |
---|---|
Output Voltage | See selection table |
AC Input Voltage | 85..132Vac / 184..265Vac |
Frequency | 47…63Hz |
DC Input Voltage | 250…375Vdc |
Input Rating | 115Vac <8.8A 230Vac <4.3A |
Tolerance | ± 1% |
Load regulation | < ± 0.5% 10-100%, 100-10% |
Switching Frequency | 100KHz typical |
Minimum Load | 0 A |
Efficiency | Up to 91% |
Load Protection | 1,1x Irated ,auto recovery |
Voltage Protection | 140% of Uout , auto recovery |
Short Circuit Protection | Continuous |
Temperature Control | Yes |
Hold Up Time | > 50ms 230Vac |
Inrush Current | < 40A (230Vac) |
Suggested MCB | B16A |
Softstart | 100ms typical |
STANDARDS AND APPROVALS | |
---|---|
EMI | EN55022 class B |
EMS | EN61000-6-2,3 |
Safety | EN60950-1, EN60204-1 |
Safety class 1(A) | VDE0805, VDE0100 |
RELIABILITY | |
---|---|
Air & Surface Leakage Paths | > 8mm |
Input / Output Isolation | AC-Input/DC-Output : 3KV, Input/GND 2KV, Output/GND 500Vdc |
Power Good Relay (opener) | <48Vdc/500mA (galv. Insulated 60Vdc) |
MTBF EN61709 | 499.101h |
MTTF IEC60050 | 127.124h (40°C/230Vac/75%) |
ROHS | 2011/65/EG confirmed |
REACH | EG No. 1907/2006 confirmed |
ENVIRONMENTAL | |
---|---|
Cooling | Natural convection |
Ambient Temperature | - 20°C…+70°C |
Storage Temperature | - 40°C…+85°C |
Humidity Operation | 95% non condensing @ 25°C |
Climatic Class | 3K3 |
Pollution Degree | II A |
Operation Altitude | 3000m above sea level |
MECHANICAL | |
---|---|
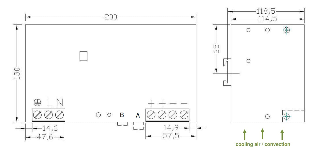
Dimensions (HxWxD) | 130x200x118,5mm |
Weight | 2800g |
Screw Connectors | (AC & DC):AWG20...AWG6 |
MODEL | HSE04801.12T | HSE04801.15T | HSE04801.24T | HSE04801.36T | HSE04801.48T |
---|---|---|---|---|---|
Rated DC Voltage | 12Vdc | 15Vdc | 24Vdc | 36Vdc | 48Vdc |
Rated DC Current | 30.0A | 26.0A | 20.0A | 13.3A | 10.0A |
Power Boost ≤60 Seconds | 33.0A | 28.6A | 22.0A | 14.6A | 11.0A |
Ripple [mVpp] (230Vac/20MHz) | 40mVpp | 50mVpp | 50mVpp | 100mVpp | 100mVpp |
Output adj.Range | 11,4 - 14,4V | 14,2 - 18.0V | 22,5 - 28,8V | 34,2 - 43,2V | 45,6 - 52.8V |
Notes: | Coating Option add 'C' to model number, eg HSE04801.12TC We offer the HSE optional coating. It is to be used in e.g. dusty, dirty, high humidity, or in awaiting quick temperature changes. Short circuit and corrosion at print board lines and at solder points can be prevented. The coat itself is a transparent acrylic resin. It is procured with a robotics varnishing machine. Peters SL 1306 N-FLZ (transparent) IEC60216-1 2001, IPC-CC-830B, UL listed as permanent coating FileNo.: E80315 , UL94V-0 | ||||


GENERAL | |
---|---|
Output Voltage | See selection table |
AC Input Voltage | 85..132Vac / 184..265Vac |
Frequency | 47…63Hz |
DC Input Voltage | 250…375Vdc |
Input Rating | 115Vac <8.8A 230Vac <4.3A |
Tolerance | ± 1% |
Load regulation | < ± 0.5% 10-100%, 100-10% |
Switching Frequency | 100KHz typical |
Minimum Load | 0 A |
Efficiency | Up to 91% |
Load Protection | 1,1x Irated ,auto recovery |
Voltage Protection | 140% of Uout , auto recovery |
Short Circuit Protection | Continuous |
Temperature Control | Yes |
Hold Up Time | > 50ms 230Vac |
Inrush Current | < 40A (230Vac) |
Suggested MCB | B16A |
Softstart | 100ms typical |
STANDARDS AND APPROVALS | |
---|---|
EMI | EN55022 class B |
EMS | EN61000-6-2,3 |
Safety | EN60950-1, EN60204-1 |
Safety class 1(A) | VDE0805, VDE0100 |
RELIABILITY | |
---|---|
Air & Surface Leakage Paths | > 8mm |
Input / Output Isolation | AC-Input/DC-Output : 3KV, Input/GND 2KV, Output/GND 500Vdc |
Power Good Relay (opener) | <48Vdc/500mA (galv. Insulated 60Vdc) |
MTBF EN61709 | 499.101h |
MTTF IEC60050 | 127.124h (40°C/230Vac/75%) |
ROHS | 2011/65/EG confirmed |
REACH | EG No. 1907/2006 confirmed |
ENVIRONMENTAL | |
---|---|
Cooling | Natural convection |
Ambient Temperature | - 20°C…+70°C |
Storage Temperature | - 40°C…+85°C |
Humidity Operation | 95% non condensing @ 25°C |
Climatic Class | 3K3 |
Pollution Degree | II A |
Operation Altitude | 3000m above sea level |
MECHANICAL | |
---|---|
Dimensions (HxWxD) | 130x200x118,5mm |
Weight | 2800g |
Screw Connectors | (AC & DC):AWG20...AWG6 |
MODEL | HSE04801.12T | HSE04801.15T | HSE04801.24T | HSE04801.36T | HSE04801.48T |
---|---|---|---|---|---|
Rated DC Voltage | 12Vdc | 15Vdc | 24Vdc | 36Vdc | 48Vdc |
Rated DC Current | 30.0A | 26.0A | 20.0A | 13.3A | 10.0A |
Power Boost ≤60 Seconds | 33.0A | 28.6A | 22.0A | 14.6A | 11.0A |
Ripple [mVpp] (230Vac/20MHz) | 40mVpp | 50mVpp | 50mVpp | 100mVpp | 100mVpp |
Output adj.Range | 11,4 - 14,4V | 14,2 - 18.0V | 22,5 - 28,8V | 34,2 - 43,2V | 45,6 - 52.8V |
Notes: | Coating Option add 'C' to model number, eg HSE04801.12TC We offer the HSE optional coating. It is to be used in e.g. dusty, dirty, high humidity, or in awaiting quick temperature changes. Short circuit and corrosion at print board lines and at solder points can be prevented. The coat itself is a transparent acrylic resin. It is procured with a robotics varnishing machine. Peters SL 1306 N-FLZ (transparent) IEC60216-1 2001, IPC-CC-830B, UL listed as permanent coating FileNo.: E80315 , UL94V-0 | ||||


Find the Right Model
Model Number | Input Voltage (Vac) | Output Voltage (Vdc) | Output Current (A) | ||
---|---|---|---|---|---|
![]() |
HSE04801.012T(R2) | 90...132Vac / 184...264Vac 50/60Hz (Switch Selectable) | 48Vdc (Adj. 48 - 64Vdc) | 30A | |
![]() |
HSE04801.015T(R2) | 90...132Vac / 184...264Vac 50/60Hz (Switch Selectable) | 60Vdc (Adj. 60 - 80Vdc) | 26A | |
![]() |
HSE04801.024T(R2) | 90...132Vac / 184...264Vac 50/60Hz (Switch Selectable) | 110Vdc (Adj. 110 - 145Vdc) | 20A | |
![]() |
HSE04801.036T(R2) | 90...132Vac / 184...264Vac 50/60Hz (Switch Selectable) | 220Vdc (Adj. 220 - 290Vdc) | 13.3A | |
![]() |
HSE04801.048T(R2) | 90...132Vac / 184...264Vac 50/60Hz (Switch Selectable) | 48Vdc (Adj. 45.6 - 52.8Vdc) | 10A |
Need help finding the right product model?
