DC/DC Converters
Powerbox PBIH Single SERIES DC/DC Converter
The Powerbox PBIH Single Series DC/DC Converter delivers high-performance power conversion for industrial and utility applications. With output capacities ranging from 15W to 150W, this converter is ideal for applications in electrical and water utilities, industrial control, mining, rail signaling, telecommunications, and security systems.
Read MoreFeatures
- 15 - 150W DC/DC Converter
- Enclosed with Screw Terminals
- High Efficiency
- Low Output Ripple
- Good Thermal Margins
- Conformal Coating option for wet or humid conditions
Specifications
Selection Table
Technical Illustrations
Downloads
INPUT | |
---|---|
Input voltage | 12Vdc (9.2-16) 24Vdc (19-32) 48Vdc (38-63) 110Vdc (85-140) |
Inrush current | 20A max. for 110Vdc only |
ENVIRONMENTAL | |
---|---|
Operating temperature | 0°C to 70°C; derate from 50°C @3.5% / °C |
Cooling | Convection cooled |
Storage temperature | -20°C to +85°C |
Humidity | 0.85 |
Shock | 30G, PBIH-F, G and J |
Vibration | (5Hz - 10Hz, 10mm), (10Hz - 50Hz) 2G, PBIH-F, G and J |
OUTPUT | |
---|---|
Output voltage | See Selection Table |
Voltage adjustment | ±10%, ±5% for PBIH-F |
Output current | See Selection Table |
Ripple & noise | Vout x 1% + 50-100mVp-p |
Line regulation | 0.8% over input range |
Load regulation | 0.9%, 0%-100% load |
Drift | Vout x 0.5% + 15mV /8hrs after 1hr warm-up |
Rise Time | 200ms max. - PBIH-F, M, R 100ms max. - PBIH-G, J (at 25°C) |
Holdup time | 10ms (only 110V input) |
Efficiency | 70%-89% |
STANDARDS AND APPROVALS | |
---|---|
Safety | Designed to UL1950 |
PROTECTION | |
---|---|
Overvoltage protection | 0V. clamp, PBIH-F Output shutdown, PBIH-G, J, M, R input must be switched off for at least 30S to reactivate |
Overcurrent protection | PBIH-F: Fold back PBIH-G, J, M, R: Current limiting, PBIH-R (not 110Vdc in ) current limit adjustable |
Insulation resistance | 50Mž (500Vdc) Input - Case |
Safety isolation | 12Vdc, 24Vdc, 48Vdc input, 1min Input - Output: 1500Vac Input - Case: 1500Vac Output - Case: 500Vac . 110V input, 1min Input - Output: 2000VAC Input - Case: 2000VAC Output - Case: 500VAC |
OPERATING | |
---|---|
Remote sense | PBIH-R Series only |
Parallel operation | Consult sales office for details |
Remote control | PBIH-R Series: Open link: output normal Short link: output off |
MECHANICAL | |
---|---|
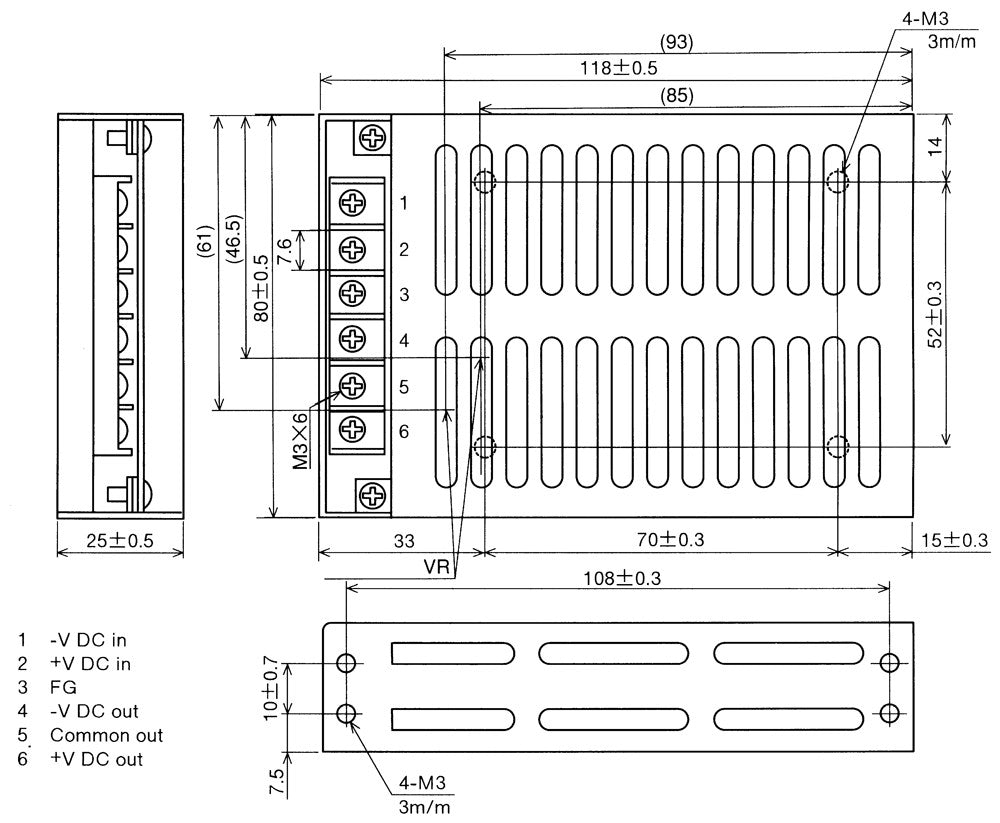
Connector | Screw Termination |
Dimensions Weight | PBIH-F: 118 x 25 x 80mm, 250g PBIH-G: 135 x 31 x 85mm, 380g PBIH-J: 160 x 33 x 96mm, 410g PBIH-M: 206 x 48 x 97mm, 800g PBIH-R: 217 x 61 x 97mm, 1.4kg |
DIN Mounting | See Selection Table View PBIH DIN Mounting Bracket |
MODEL NUMBER | INPUT VOLTAGE | INPUT RANGE | OUTPUT VOLTAGE | OUTPUT CURRENT | OUTPUT POWER |
---|---|---|---|---|---|
PBIH-1205F | 12V | 9.2 - 16V | 5V | 3A | 15W |
PBIH-1212F | 12V | 9.2 - 16V | 12V | 1.2A | 15W |
PBIH-1215F | 12V | 9.2 - 16V | 15V | 1A | 15W |
PBIH-1224F | 12V | 9.2 - 16V | 24V | 0.62A | 15W |
PBIH-2405F | 24V | 19 - 32V | 5V | 3A | 15W |
PBIH-2412F | 24V | 19 - 32V | 12V | 1.2A | 15W |
PBIH-2415F | 24V | 19 - 32V | 15V | 1A | 15W |
PBIH-2424F | 24V | 19 - 32V | 24V | 0.62A | 15W |
PBIH-4805F | 48V | 38 - 63V | 5V | 3A | 15W |
PBIH-4812F | 48V | 38 - 63V | 12V | 1.2A | 15W |
PBIH-4815F | 48V | 38 - 63V | 15V | 1A | 15W |
PBIH-4824F | 48V | 38 - 63V | 24V | 0.62A | 15W |
PBIH-11005F | 110V | 85 - 140V | 5V | 3A | 15W |
PBIH-11012F | 110V | 85 - 140V | 12V | 1.2A | 15W |
PBIH-11015F | 110V | 85 - 140V | 15V | 1A | 15W |
PBIH-11024F | 110V | 85 - 140V | 24V | 0.67A | 15W |
PBIH-1205G | 12V | 9.2 - 16V | 5V | 5A | 25W |
PBIH-1212G | 12V | 9.2 - 16V | 12V | 2.1A | 25W |
PBIH-1215G | 12V | 9.2 - 16V | 15V | 1.7A | 25W |
PBIH-1224G | 12V | 9.2 - 16V | 24V | 1.1A | 25W |
PBIH-1248G | 12V | 9.2 - 16V | 48V | 0.5A | 25W |
PBIH-2405G | 24V | 19 - 32V | 5V | 5A | 25W |
PBIH-2412G | 24V | 19 - 32V | 12V | 2.1A | 25W |
PBIH-2415G | 24V | 19 - 32V | 15V | 1.7A | 25W |
PBIH-2424G | 24V | 19 - 32V | 24V | 1.1A | 25W |
PBIH-2448G | 24V | 19 - 32V | 48V | 0.5A | 25W |
PBIH-4805G | 48V | 38 - 63V | 5V | 5A | 25W |
PBIH-4812G | 48V | 38 - 63V | 12V | 2.1A | 25W |
PBIH-4815G | 48V | 38 - 63V | 15V | 1.7A | 25W |
PBIH-4824G | 48V | 38 - 63V | 24V | 1.1A | 25W |
PBIH-4848G | 48V | 38 - 63V | 48V | 0.5A | 25W |
PBIH-11005G | 110V | 85 - 140V | 5V | 5A | 25W |
PBIH-11012G | 110V | 85 - 140V | 12V | 2.1A | 25W |
PBIH-11015G | 110V | 85 - 140V | 15V | 1.7A | 25W |
PBIH-11024G | 110V | 85-140V | 24V | 1.1A | 25W |
PBIH-11048G | 110V | 85 - 140V | 48V | 0.5A | 25W |
PBIH-1205J | 12V | 9.2 - 16V | 5V | 8A | 40W |
PBIH-1212J | 12V | 9.2 - 16V | 12V | 3.3A | 40W |
PBIH-1215J | 12V | 9.2 - 16V | 15V | 2.7A | 40W |
PBIH-1224J | 12V | 9.2 - 16V | 24V | 1.7A | 40W |
PBIH-1248J | 12V | 9.2 - 16V | 48V | 0.8A | 40W |
PBIH-2405J | 24V | 19 - 32V | 5V | 10A | 50W |
PBIH-2412J | 24V | 19 - 32V | 12V | 4.3A | 50W |
PBIH-2415J | 24V | 19 - 32V | 15V | 3.4A | 50W |
PBIH-2424J | 24V | 19 - 32V | 24V | 2.5A | 50W |
PBIH-2448J | 24V | 19 - 32V | 48V | 1A | 50W |
PBIH-4805J | 48V | 38 - 63V | 5V | 10A | 50W |
PBIH-4812J | 48V | 38 - 63V | 12V | 4.3A | 50W |
PBIH-4815J | 48V | 38 - 63V | 15V | 3.4A | 50W |
PBIH-4824J | 48V | 38 - 63V | 24V | 2.5A | 50W |
PBIH-4848J | 48V | 38 - 63V | 48V | 1A | 50W |
PBIH-11005J | 110V | 85 - 140V | 5V | 10A | 50W |
PBIH-11012J | 110V | 85 - 140V | 12V | 4.3A | 50W |
PBIH-11015J | 110V | 85 - 140V | 15V | 3.4A | 50W |
PBIH-11024J | 110V | 85 - 140V | 24V | 2.5A | 50W |
PBIH-11048J | 110V | 85 - 140V | 48V | 1A | 50W |
PBIH-1205M | 12V | 9.2 - 16V | 5V | 18A | 100W |
PBIH-1212M | 12V | 9.2 - 16V | 12V | 9A | 100W |
PBIH-1215M | 12V | 9.2 - 16V | 15V | 7A | 100W |
PBIH-1224M | 12V | 9.2 - 16V | 24V | 4.5A | 100W |
PBIH-1248M | 12V | 9.2 - 16V | 48V | 2A | 100W |
PBIH-2405M | 24V | 19 - 32V | 5V | 20A | 100W |
PBIH-2412M | 24V | 19 - 32V | 12V | 9A | 100W |
PBIH-2415M | 24V | 19 - 32V | 15V | 7A | 100W |
PBIH-2424M | 24V | 19 - 32V | 24V | 5A | 100W |
PBIH-2448M | 24V | 19 - 32V | 48V | 2A | 100W |
PBIH-4805M | 48V | 38 - 63V | 5V | 20A | 100W |
PBIH-4812M | 48V | 38 - 63V | 12V | 9A | 100W |
PBIH-4815M | 48V | 38 - 63V | 15V | 7A | 100W |
PBIH-4824M | 48V | 38 - 63V | 24V | 5A | 100W |
PBIH-4848M | 48V | 38 - 63V | 48V | 2A | 100W |
PBIH-11005M | 110V | 85 - 140V | 5V | 20A | 100W |
PBIH-11012M | 110V | 85 - 140V | 12V | 9A | 100W |
PBIH-11015M | 110V | 85 - 140V | 15V | 7A | 100W |
PBIH-11024M | 110V | 85 - 140V | 24V | 5A | 100W |
PBIH-11048M | 110V | 85 - 140V | 48V | 2A | 100W |
PBIH-1205R | 12V | 9.2 - 16V | 5V | 27A | 150W |
PBIH-1212R | 12V | 9.2 - 16V | 12V | 13A | 150W |
PBIH-1215R | 12V | 9.2 - 16V | 15V | 10A | 150W |
PBIH-1224R | 12V | 9.2 - 16V | 24V | 6.5A | 150W |
PBIH-1248R | 12V | 9.2 - 16V | 48V | 3.3A | 150W |
PBIH-2405R | 24V | 19 - 32V | 5V | 30A | 150W |
PBIH-2412R | 24V | 19 - 32V | 12V | 14A | 150W |
PBIH-2415R | 24V | 19 - 32V | 15V | 11A | 150W |
PBIH-2424R | 24V | 19 - 32V | 24V | 7A | 150W |
PBIH-2448R | 24V | 19 - 32V | 48V | 3.5A | 150W |
PBIH-4805R | 48V | 38 - 63V | 5V | 30A | 150W |
PBIH-4812R | 48V | 38 - 63V | 12V | 14A | 150W |
PBIH-4815R | 48V | 38 - 63V | 15V | 11A | 150W |
PBIH-4824R | 48V | 38 - 63V | 24V | 7A | 150W |
PBIH-4848R | 48V | 38 - 63V | 48V | 3.5A | 150W |
PBIH-11005R | 110V | 85 - 140V | 5V | 30A | 150W |
PBIH-11012R | 110V | 85 - 140V | 12V | 14A | 150W |
PBIH-11015R | 110V | 85 - 140V | 15V | 11A | 150W |
PBIH-11024R | 110V | 85 - 140V | 24V | 7A | 150W |
PBIH-11048R | 110V | 85 - 140V | 48V | 3.5A | 150W |
BRACKET | MODEL SUITED | POWER | BRACKET DIMENSIONS |
---|---|---|---|
FD-B | PBIH-xxxxF | 15W | 128x86x50mm |
FD-A | PBIH-xxxxG | 25W | 178x86x50mm |
FD-A | PBIH-xxxxJ | 50W | 178x86x50mm |
PB-DIN-H-01 | PBIH-xxxxM | 100W | 197x86x62mm |
PB-DIN-H-02 | PBIH-xxxxR | 150W | 225x86x88mm |
Note: Customer to drill mounting holes in bracket to fit converter. |


INPUT | |
---|---|
Input voltage | 12Vdc (9.2-16) 24Vdc (19-32) 48Vdc (38-63) 110Vdc (85-140) |
Inrush current | 20A max. for 110Vdc only |
ENVIRONMENTAL | |
---|---|
Operating temperature | 0°C to 70°C; derate from 50°C @3.5% / °C |
Cooling | Convection cooled |
Storage temperature | -20°C to +85°C |
Humidity | 0.85 |
Shock | 30G, PBIH-F, G and J |
Vibration | (5Hz - 10Hz, 10mm), (10Hz - 50Hz) 2G, PBIH-F, G and J |
OUTPUT | |
---|---|
Output voltage | See Selection Table |
Voltage adjustment | ±10%, ±5% for PBIH-F |
Output current | See Selection Table |
Ripple & noise | Vout x 1% + 50-100mVp-p |
Line regulation | 0.8% over input range |
Load regulation | 0.9%, 0%-100% load |
Drift | Vout x 0.5% + 15mV /8hrs after 1hr warm-up |
Rise Time | 200ms max. - PBIH-F, M, R 100ms max. - PBIH-G, J (at 25°C) |
Holdup time | 10ms (only 110V input) |
Efficiency | 70%-89% |
STANDARDS AND APPROVALS | |
---|---|
Safety | Designed to UL1950 |
PROTECTION | |
---|---|
Overvoltage protection | 0V. clamp, PBIH-F Output shutdown, PBIH-G, J, M, R input must be switched off for at least 30S to reactivate |
Overcurrent protection | PBIH-F: Fold back PBIH-G, J, M, R: Current limiting, PBIH-R (not 110Vdc in ) current limit adjustable |
Insulation resistance | 50Mž (500Vdc) Input - Case |
Safety isolation | 12Vdc, 24Vdc, 48Vdc input, 1min Input - Output: 1500Vac Input - Case: 1500Vac Output - Case: 500Vac . 110V input, 1min Input - Output: 2000VAC Input - Case: 2000VAC Output - Case: 500VAC |
OPERATING | |
---|---|
Remote sense | PBIH-R Series only |
Parallel operation | Consult sales office for details |
Remote control | PBIH-R Series: Open link: output normal Short link: output off |
MECHANICAL | |
---|---|
Connector | Screw Termination |
Dimensions Weight | PBIH-F: 118 x 25 x 80mm, 250g PBIH-G: 135 x 31 x 85mm, 380g PBIH-J: 160 x 33 x 96mm, 410g PBIH-M: 206 x 48 x 97mm, 800g PBIH-R: 217 x 61 x 97mm, 1.4kg |
DIN Mounting | See Selection Table View PBIH DIN Mounting Bracket |
MODEL NUMBER | INPUT VOLTAGE | INPUT RANGE | OUTPUT VOLTAGE | OUTPUT CURRENT | OUTPUT POWER |
---|---|---|---|---|---|
PBIH-1205F | 12V | 9.2 - 16V | 5V | 3A | 15W |
PBIH-1212F | 12V | 9.2 - 16V | 12V | 1.2A | 15W |
PBIH-1215F | 12V | 9.2 - 16V | 15V | 1A | 15W |
PBIH-1224F | 12V | 9.2 - 16V | 24V | 0.62A | 15W |
PBIH-2405F | 24V | 19 - 32V | 5V | 3A | 15W |
PBIH-2412F | 24V | 19 - 32V | 12V | 1.2A | 15W |
PBIH-2415F | 24V | 19 - 32V | 15V | 1A | 15W |
PBIH-2424F | 24V | 19 - 32V | 24V | 0.62A | 15W |
PBIH-4805F | 48V | 38 - 63V | 5V | 3A | 15W |
PBIH-4812F | 48V | 38 - 63V | 12V | 1.2A | 15W |
PBIH-4815F | 48V | 38 - 63V | 15V | 1A | 15W |
PBIH-4824F | 48V | 38 - 63V | 24V | 0.62A | 15W |
PBIH-11005F | 110V | 85 - 140V | 5V | 3A | 15W |
PBIH-11012F | 110V | 85 - 140V | 12V | 1.2A | 15W |
PBIH-11015F | 110V | 85 - 140V | 15V | 1A | 15W |
PBIH-11024F | 110V | 85 - 140V | 24V | 0.67A | 15W |
PBIH-1205G | 12V | 9.2 - 16V | 5V | 5A | 25W |
PBIH-1212G | 12V | 9.2 - 16V | 12V | 2.1A | 25W |
PBIH-1215G | 12V | 9.2 - 16V | 15V | 1.7A | 25W |
PBIH-1224G | 12V | 9.2 - 16V | 24V | 1.1A | 25W |
PBIH-1248G | 12V | 9.2 - 16V | 48V | 0.5A | 25W |
PBIH-2405G | 24V | 19 - 32V | 5V | 5A | 25W |
PBIH-2412G | 24V | 19 - 32V | 12V | 2.1A | 25W |
PBIH-2415G | 24V | 19 - 32V | 15V | 1.7A | 25W |
PBIH-2424G | 24V | 19 - 32V | 24V | 1.1A | 25W |
PBIH-2448G | 24V | 19 - 32V | 48V | 0.5A | 25W |
PBIH-4805G | 48V | 38 - 63V | 5V | 5A | 25W |
PBIH-4812G | 48V | 38 - 63V | 12V | 2.1A | 25W |
PBIH-4815G | 48V | 38 - 63V | 15V | 1.7A | 25W |
PBIH-4824G | 48V | 38 - 63V | 24V | 1.1A | 25W |
PBIH-4848G | 48V | 38 - 63V | 48V | 0.5A | 25W |
PBIH-11005G | 110V | 85 - 140V | 5V | 5A | 25W |
PBIH-11012G | 110V | 85 - 140V | 12V | 2.1A | 25W |
PBIH-11015G | 110V | 85 - 140V | 15V | 1.7A | 25W |
PBIH-11024G | 110V | 85-140V | 24V | 1.1A | 25W |
PBIH-11048G | 110V | 85 - 140V | 48V | 0.5A | 25W |
PBIH-1205J | 12V | 9.2 - 16V | 5V | 8A | 40W |
PBIH-1212J | 12V | 9.2 - 16V | 12V | 3.3A | 40W |
PBIH-1215J | 12V | 9.2 - 16V | 15V | 2.7A | 40W |
PBIH-1224J | 12V | 9.2 - 16V | 24V | 1.7A | 40W |
PBIH-1248J | 12V | 9.2 - 16V | 48V | 0.8A | 40W |
PBIH-2405J | 24V | 19 - 32V | 5V | 10A | 50W |
PBIH-2412J | 24V | 19 - 32V | 12V | 4.3A | 50W |
PBIH-2415J | 24V | 19 - 32V | 15V | 3.4A | 50W |
PBIH-2424J | 24V | 19 - 32V | 24V | 2.5A | 50W |
PBIH-2448J | 24V | 19 - 32V | 48V | 1A | 50W |
PBIH-4805J | 48V | 38 - 63V | 5V | 10A | 50W |
PBIH-4812J | 48V | 38 - 63V | 12V | 4.3A | 50W |
PBIH-4815J | 48V | 38 - 63V | 15V | 3.4A | 50W |
PBIH-4824J | 48V | 38 - 63V | 24V | 2.5A | 50W |
PBIH-4848J | 48V | 38 - 63V | 48V | 1A | 50W |
PBIH-11005J | 110V | 85 - 140V | 5V | 10A | 50W |
PBIH-11012J | 110V | 85 - 140V | 12V | 4.3A | 50W |
PBIH-11015J | 110V | 85 - 140V | 15V | 3.4A | 50W |
PBIH-11024J | 110V | 85 - 140V | 24V | 2.5A | 50W |
PBIH-11048J | 110V | 85 - 140V | 48V | 1A | 50W |
PBIH-1205M | 12V | 9.2 - 16V | 5V | 18A | 100W |
PBIH-1212M | 12V | 9.2 - 16V | 12V | 9A | 100W |
PBIH-1215M | 12V | 9.2 - 16V | 15V | 7A | 100W |
PBIH-1224M | 12V | 9.2 - 16V | 24V | 4.5A | 100W |
PBIH-1248M | 12V | 9.2 - 16V | 48V | 2A | 100W |
PBIH-2405M | 24V | 19 - 32V | 5V | 20A | 100W |
PBIH-2412M | 24V | 19 - 32V | 12V | 9A | 100W |
PBIH-2415M | 24V | 19 - 32V | 15V | 7A | 100W |
PBIH-2424M | 24V | 19 - 32V | 24V | 5A | 100W |
PBIH-2448M | 24V | 19 - 32V | 48V | 2A | 100W |
PBIH-4805M | 48V | 38 - 63V | 5V | 20A | 100W |
PBIH-4812M | 48V | 38 - 63V | 12V | 9A | 100W |
PBIH-4815M | 48V | 38 - 63V | 15V | 7A | 100W |
PBIH-4824M | 48V | 38 - 63V | 24V | 5A | 100W |
PBIH-4848M | 48V | 38 - 63V | 48V | 2A | 100W |
PBIH-11005M | 110V | 85 - 140V | 5V | 20A | 100W |
PBIH-11012M | 110V | 85 - 140V | 12V | 9A | 100W |
PBIH-11015M | 110V | 85 - 140V | 15V | 7A | 100W |
PBIH-11024M | 110V | 85 - 140V | 24V | 5A | 100W |
PBIH-11048M | 110V | 85 - 140V | 48V | 2A | 100W |
PBIH-1205R | 12V | 9.2 - 16V | 5V | 27A | 150W |
PBIH-1212R | 12V | 9.2 - 16V | 12V | 13A | 150W |
PBIH-1215R | 12V | 9.2 - 16V | 15V | 10A | 150W |
PBIH-1224R | 12V | 9.2 - 16V | 24V | 6.5A | 150W |
PBIH-1248R | 12V | 9.2 - 16V | 48V | 3.3A | 150W |
PBIH-2405R | 24V | 19 - 32V | 5V | 30A | 150W |
PBIH-2412R | 24V | 19 - 32V | 12V | 14A | 150W |
PBIH-2415R | 24V | 19 - 32V | 15V | 11A | 150W |
PBIH-2424R | 24V | 19 - 32V | 24V | 7A | 150W |
PBIH-2448R | 24V | 19 - 32V | 48V | 3.5A | 150W |
PBIH-4805R | 48V | 38 - 63V | 5V | 30A | 150W |
PBIH-4812R | 48V | 38 - 63V | 12V | 14A | 150W |
PBIH-4815R | 48V | 38 - 63V | 15V | 11A | 150W |
PBIH-4824R | 48V | 38 - 63V | 24V | 7A | 150W |
PBIH-4848R | 48V | 38 - 63V | 48V | 3.5A | 150W |
PBIH-11005R | 110V | 85 - 140V | 5V | 30A | 150W |
PBIH-11012R | 110V | 85 - 140V | 12V | 14A | 150W |
PBIH-11015R | 110V | 85 - 140V | 15V | 11A | 150W |
PBIH-11024R | 110V | 85 - 140V | 24V | 7A | 150W |
PBIH-11048R | 110V | 85 - 140V | 48V | 3.5A | 150W |
BRACKET | MODEL SUITED | POWER | BRACKET DIMENSIONS |
---|---|---|---|
FD-B | PBIH-xxxxF | 15W | 128x86x50mm |
FD-A | PBIH-xxxxG | 25W | 178x86x50mm |
FD-A | PBIH-xxxxJ | 50W | 178x86x50mm |
PB-DIN-H-01 | PBIH-xxxxM | 100W | 197x86x62mm |
PB-DIN-H-02 | PBIH-xxxxR | 150W | 225x86x88mm |
Note: Customer to drill mounting holes in bracket to fit converter. |


Find the Right Model
Model Number | Input Voltage (Vdc) | Output Voltage (Vdc) | Output Current (A) | ||
---|---|---|---|---|---|
![]() |
PBIH-1205F | 12Vdc: 9.2...16Vdc | 5Vdc | 3A | |
![]() |
PBIH-1224F | 12Vdc: 9.2...16Vdc | 24Vdc | 0.62A | |
![]() |
PBIH-2405F | 24Vdc: 19...32Vdc | 5Vdc | 3A | |
![]() |
PBIH-2412F | 24Vdc: 19...32Vdc | 12Vdc | 1.2A | |
![]() |
PBIH-2415F | 24Vdc: 19...32Vdc | 15Vdc | 1A | |
![]() |
PBIH-2424F | 24Vdc: 19...32Vdc | 24Vdc | 0.62A | |
![]() |
PBIH-4805F | 48Vdc: 38...63Vdc | 5Vdc | 3A | |
![]() |
PBIH-4812F | 48Vdc: 38...63Vdc | 12Vdc | 1.2A | |
![]() |
PBIH-4824F | 48Vdc: 38...63Vdc | 24Vdc | 0.62A | |
![]() |
PBIH-11012F | 110Vdc: 85...140Vdc | 12Vdc | 1.2A | |
![]() |
PBIH-1205G | 12Vdc: 9.2...16Vdc | 5Vdc | 5A | |
![]() |
PBIH-1212G | 12Vdc: 9.2...16Vdc | 12Vdc | 2.1A | |
![]() |
PBIH-1224G | 12Vdc: 9.2...16Vdc | 24Vdc | 1.1A | |
![]() |
PBIH-1248G | 12Vdc: 9.2...16Vdc | 48Vdc | 0.5A | |
![]() |
PBIH-2405G | 24Vdc: 19...32Vdc | 5Vdc | 5A | |
![]() |
PBIH-2412G | 24Vdc: 19...32Vdc | 12Vdc | 2.1A | |
![]() |
PBIH-2415G | 24Vdc: 19...32Vdc | 15Vdc | 1.7A | |
![]() |
PBIH-2424G | 24Vdc: 19...32Vdc | 24Vdc | 1.1A | |
![]() |
PBIH-2448G | 24Vdc: 19...32Vdc | 48Vdc | 0.5A | |
![]() |
PBIH-4812G | 48Vdc: 38...63Vdc | 12Vdc | 2.1A | |
![]() |
PBIH-4824G | 48Vdc: 38...63Vdc | 24Vdc | 1.1A | |
![]() |
PBIH-4848G | 48Vdc: 38...63Vdc | 48Vdc | 0.5A | |
![]() |
PBIH-1205J | 12Vdc: 9.2...16Vdc | 5Vdc | 8A | |
![]() |
PBIH-1212J | 12Vdc: 9.2...16Vdc | 12Vdc | 3.3A | |
![]() |
PBIH-1224J | 12Vdc: 9.2...16Vdc | 24Vdc | 1.7A | |
![]() |
PBIH-1248J | 12Vdc: 9.2...16Vdc | 48Vdc | 0.8A | |
![]() |
PBIH-2405J | 24Vdc: 19...32Vdc | 5Vdc | 10A | |
![]() |
PBIH-2412J | 24Vdc: 19...32Vdc | 12Vdc | 4.3A | |
![]() |
PBIH-2415J | 24Vdc: 19...32Vdc | 15Vdc | 3.4A | |
![]() |
PBIH-2424J | 24Vdc: 19...32Vdc | 24Vdc | 2.5A | |
![]() |
PBIH-2448J | 24Vdc: 19...32Vdc | 48Vdc | 1A | |
![]() |
PBIH-4805J | 48Vdc: 38...63Vdc | 5Vdc | 10A | |
![]() |
PBIH-4812J | 48Vdc: 38...63Vdc | 12Vdc | 4.3A | |
![]() |
PBIH-4815J | 48Vdc: 38...63Vdc | 15Vdc | 3.4A | |
![]() |
PBIH-4824J | 48Vdc: 38...63Vdc | 24Vdc | 2.5A | |
![]() |
PBIH-4848J | 48Vdc: 38...63Vdc | 48Vdc | 1A | |
![]() |
PBIH-11005J | 110Vdc: 85...140Vdc | 5Vdc | 10A | |
![]() |
PBIH-11015J | 110Vdc: 85...140Vdc | 15Vdc | 3.4A | |
![]() |
PBIH-11024J | 110Vdc: 85...140Vdc | 24Vdc | 2.5A | |
![]() |
PBIH-1212M | 12Vdc: 9.2...16Vdc | 12Vdc | 9A | |
![]() |
PBIH-1215M | 12Vdc: 9.2...16Vdc | 15Vdc | 7A | |
![]() |
PBIH-1224M | 12Vdc: 9.2...16Vdc | 24Vdc | 4.5A | |
![]() |
PBIH-1248M | 12Vdc: 9.2...16Vdc | 48Vdc | 2A | |
![]() |
PBIH-2405M | 24Vdc: 19...32Vdc | 5Vdc | 20A | |
![]() |
PBIH-2412M | 24Vdc: 19...32Vdc | 12Vdc | 9A | |
![]() |
PBIH-2424M | 24Vdc: 19...32Vdc | 24Vdc | 5A | |
![]() |
PBIH-2448M | 24Vdc: 19...32Vdc | 48Vdc | 2A | |
![]() |
PBIH-4805M | 48Vdc: 38...63Vdc | 5Vdc | 20A | |
![]() |
PBIH-4812M | 48Vdc: 38...63Vdc | 12Vdc | 9A | |
![]() |
PBIH-4815M | 48Vdc: 38...63Vdc | 15Vdc | 7A | |
![]() |
PBIH-4824M | 48Vdc: 38...63Vdc | 24Vdc | 5A | |
![]() |
PBIH-4848M | 48Vdc: 38...63Vdc | 48Vdc | 2A | |
![]() |
PBIH-11005M | 110Vdc: 85...140Vdc | 5Vdc | 20A | |
![]() |
PBIH-11012M | 110Vdc: 85...140Vdc | 12Vdc | 9A | |
![]() |
PBIH-11015M | 110Vdc: 85...140Vdc | 15Vdc | 7A | |
![]() |
PBIH-11024M | 110Vdc: 85...140Vdc | 24Vdc | 5A | |
![]() |
PBIH-11048M | 110Vdc: 85...140Vdc | 48Vdc | 2A | |
![]() |
PBIH-1212R | 12Vdc: 9.2...16Vdc | 12Vdc | 13A | |
![]() |
PBIH-1215R | 12Vdc: 9.2...16Vdc | 15Vdc | 10A | |
![]() |
PBIH-1224R | 12Vdc: 9.2...16Vdc | 24Vdc | 6.5A | |
![]() |
PBIH-1248R | 12Vdc: 9.2...16Vdc | 48Vdc | 3.3A | |
![]() |
PBIH-2405R | 24Vdc: 19...32Vdc | 5Vdc | 30A | |
![]() |
PBIH-2412R | 24Vdc: 19...32Vdc | 12Vdc | 14A | |
![]() |
PBIH-2415R | 24Vdc: 19...32Vdc | 15Vdc | 11A | |
![]() |
PBIH-2424R | 24Vdc: 19...32Vdc | 24Vdc | 7A | |
![]() |
PBIH-2448R | 24Vdc: 19...32Vdc | 48Vdc | 3.5A | |
![]() |
PBIH-4812R | 48Vdc: 38...63Vdc | 12Vdc | 14A | |
![]() |
PBIH-4815R | 48Vdc: 38...63Vdc | 15Vdc | 11A | |
![]() |
PBIH-4824R | 48Vdc: 38...63Vdc | 24Vdc | 7A | |
![]() |
PBIH-4848R | 48Vdc: 38...63Vdc | 48Vdc | 3.5A | |
![]() |
PBIH-11012R | 110Vdc: 85...140Vdc | 12Vdc | 14A | |
![]() |
PBIH-11015R | 110Vdc: 85...140Vdc | 15Vdc | 11A | |
![]() |
PBIH-11024R | 110Vdc: 85...140Vdc | 24Vdc | 7A |
Need help finding the right product model?
