Cosel PBB13C SERIES AC/DC Power Supply
The Cosel PBB13C Series AC/DC Power Supply is a compact and reliable single-output solution, delivering power outputs ranging from 7W to 300W. With an extensive range of models and output voltage options (from 3.3V to 48V), it is tailored to meet the needs of medical, ITE, communication and industrial applications.
Read MoreFeatures
- 7 - 300W
- AC/DC POWER SUPPLY
- CHASSIS MOUNTING
- MOLEX STYLE CONNECTORS
- PFC ON 100-300W MODELS
- APPLICATIONS: MEDICAL & AUDIO/VISUAL
INPUT | |||||||||||||||||||||||||||||||||||||||||||||||||
---|---|---|---|---|---|---|---|---|---|---|---|---|---|---|---|---|---|---|---|---|---|---|---|---|---|---|---|---|---|---|---|---|---|---|---|---|---|---|---|---|---|---|---|---|---|---|---|---|---|
Input Voltage | 85-264Vac | ||||||||||||||||||||||||||||||||||||||||||||||||
Frequency | 47-63Hz | ||||||||||||||||||||||||||||||||||||||||||||||||
Inrush current | 30A typical at 200V AC. | ||||||||||||||||||||||||||||||||||||||||||||||||
Power factor | 0-90 typ., 50-300W |
OUTPUT | |||||||||||||||||||||||||||||||||||||||||||||||||
---|---|---|---|---|---|---|---|---|---|---|---|---|---|---|---|---|---|---|---|---|---|---|---|---|---|---|---|---|---|---|---|---|---|---|---|---|---|---|---|---|---|---|---|---|---|---|---|---|---|
Output voltage | See Selection Table | ||||||||||||||||||||||||||||||||||||||||||||||||
Voltage adjustment | Typically ±10% | ||||||||||||||||||||||||||||||||||||||||||||||||
Output current | See Selection Table. | ||||||||||||||||||||||||||||||||||||||||||||||||
Minimum load | Unit will operate with zero load | ||||||||||||||||||||||||||||||||||||||||||||||||
Hold up time | 20mS typical (AC in 100V) | ||||||||||||||||||||||||||||||||||||||||||||||||
Regulation | Line: 20-192mv Model Dependant Load: 40-240mv Model Dependant |
||||||||||||||||||||||||||||||||||||||||||||||||
Ripple and noise | Typ. 150mVp-p | ||||||||||||||||||||||||||||||||||||||||||||||||
Temperature drift | 20-192mv Model Dependant | ||||||||||||||||||||||||||||||||||||||||||||||||
Efficiency | Typ. 80% |
PROTECTION | |||||||||||||||||||||||||||||||||||||||||||||||||
---|---|---|---|---|---|---|---|---|---|---|---|---|---|---|---|---|---|---|---|---|---|---|---|---|---|---|---|---|---|---|---|---|---|---|---|---|---|---|---|---|---|---|---|---|---|---|---|---|---|
Safety isolation | Input-Output AC 3,000V 1 minute Input - FG AC 2,000V 1 minute Output - FGAC 500V 1 minute |
||||||||||||||||||||||||||||||||||||||||||||||||
Overvoltage protection | At 115%–140% of rated. | ||||||||||||||||||||||||||||||||||||||||||||||||
Overcurrent protection | Operates over 105% of rating and recovers automatically |
ENVIRONMENTAL | |||||||||||||||||||||||||||||||||||||||||||||||||
---|---|---|---|---|---|---|---|---|---|---|---|---|---|---|---|---|---|---|---|---|---|---|---|---|---|---|---|---|---|---|---|---|---|---|---|---|---|---|---|---|---|---|---|---|---|---|---|---|---|
Operating temperature | -10°C to 70°C. | ||||||||||||||||||||||||||||||||||||||||||||||||
Derating | 2.5%/C after 50C | ||||||||||||||||||||||||||||||||||||||||||||||||
Cooling | Convection. | ||||||||||||||||||||||||||||||||||||||||||||||||
Vibration | 10Hz–55Hz, 2G, 3 mins period for 60 minutes along X, Y and Z axis. | ||||||||||||||||||||||||||||||||||||||||||||||||
Impact | 20G, 11mS, once each along X, Y and Z axis. |
STANDARDS AND APPROVALS | |||||||||||||||||||||||||||||||||||||||||||||||||
---|---|---|---|---|---|---|---|---|---|---|---|---|---|---|---|---|---|---|---|---|---|---|---|---|---|---|---|---|---|---|---|---|---|---|---|---|---|---|---|---|---|---|---|---|---|---|---|---|---|
Safety standards | UL60950-1, CSA 60950-1, EN60950-1, EN50178, | ||||||||||||||||||||||||||||||||||||||||||||||||
C-tick | AS/NZS CISPR11 Group 1 Class A. | ||||||||||||||||||||||||||||||||||||||||||||||||
EMC | EN61204-3, EN61000-6-2, EN61000-4-2, EN61000-4-3, EN61000-4-4, EN61000-4-5, EN61000-4-6, EN61000-4-8, EN61000-4-11 |
MECHANICAL | |||||||||||||||||||||||||||||||||||||||||||||||||
---|---|---|---|---|---|---|---|---|---|---|---|---|---|---|---|---|---|---|---|---|---|---|---|---|---|---|---|---|---|---|---|---|---|---|---|---|---|---|---|---|---|---|---|---|---|---|---|---|---|
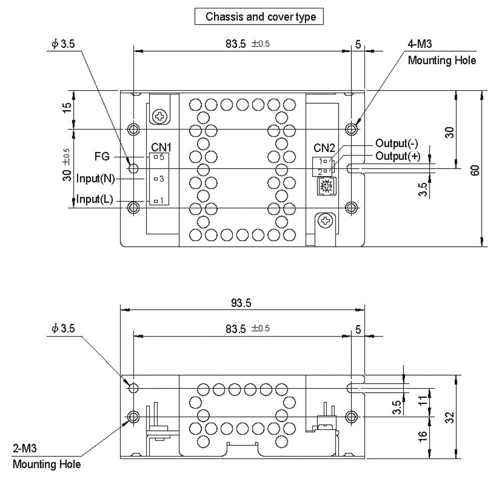
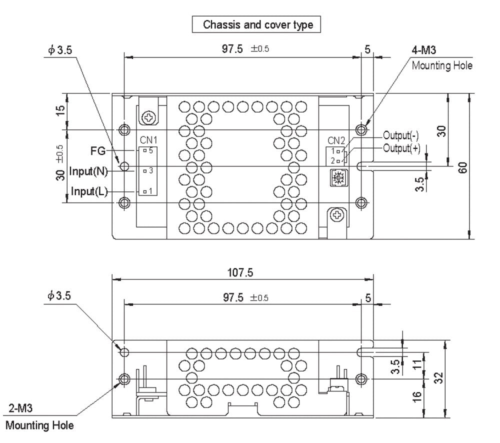
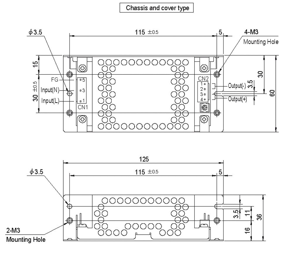
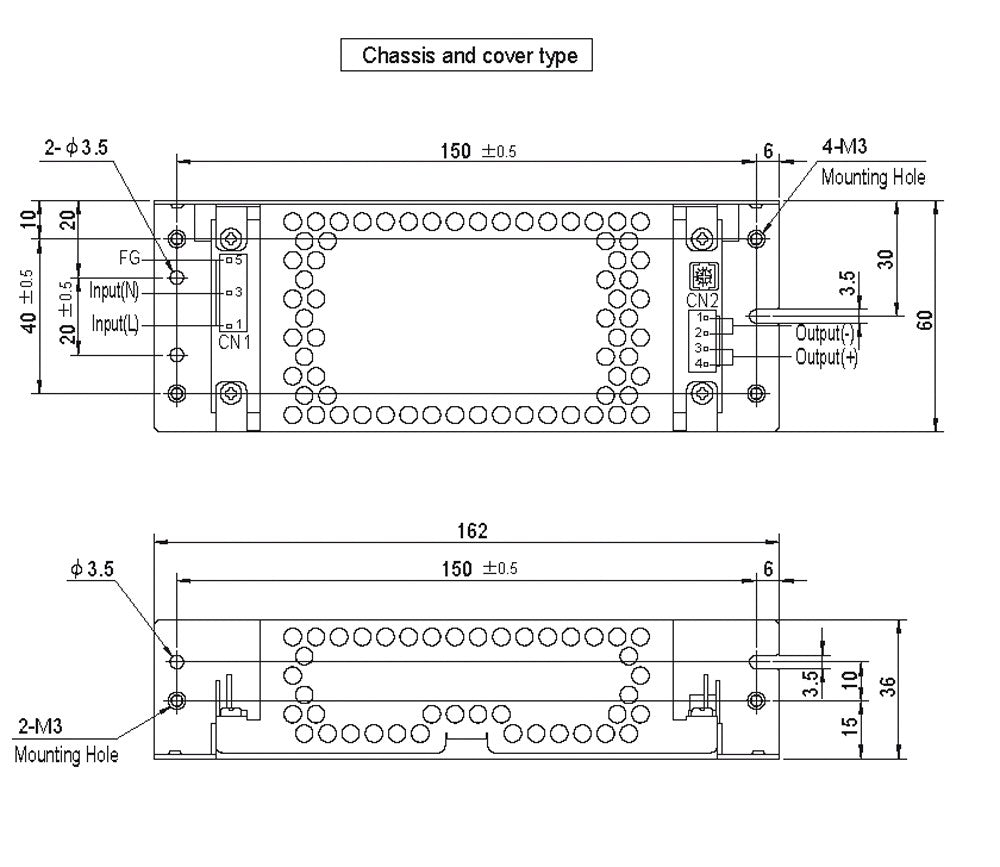
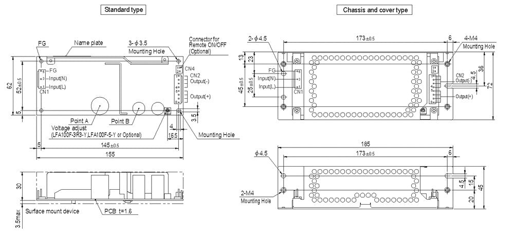
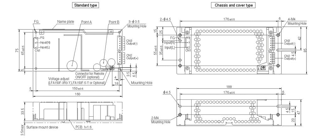
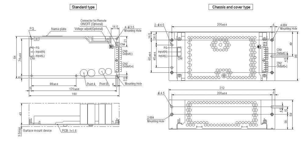
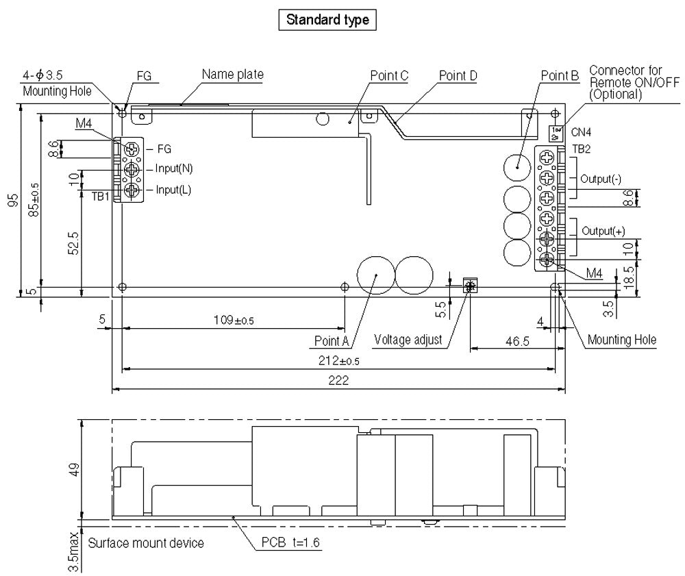
Case size | PBB13C-D-SNY 60 x32 x 93.5mm PBB13C-F-SNY 60 x 32 x 107.5mm PBB13C-H-SNY 60 x 36 x 125mm PBB13C-J-SNY 60 x 36 x 132m PBB13C-L-SNY 60 x 33.5 x 162mm PBB13C-M-SNY 72 x 45 x 185mm PBB13C-R-SNY 85 X 47 X 188mm PBB13C-E-SNY 98 X 59 X 212mm PBB13C-T-SNY 95 X 49 X 222mm | ||||||||||||||||||||||||||||||||||||||||||||||||
Cable harness |
Input/output harness supplied with PSU |
MODEL NUMBER |
OUTPUT VOLTAGE |
OUTPUT CURRENT |
POWER |
---|---|---|---|
PBB13C-3.3D-SNY | 3.3V | 2A | 7W |
PBB13C-5D-SNY | 5V | 2A | 10W |
PBB13C-12D-SNY | 12V | 0.9A | 11W |
PBB13C-15D-SNY | 15V | 0.7A | 11W |
PBB13C-24D-SNY | 24V | 0.5A | 12W |
PBB13C-3.3F-SNY | 3.3V | 3A | 10W |
PBB13C-5F-SNY | 5V | 3A | 15W |
PBB13C-12F-SNY | 12V | 1.3A | 15W |
PBB13C-15F-SNY | 15V | 1A | 15W |
PBB13C-24F-SNY | 24V | 0.7A | 17W |
PBB13C-3.3H-SNY | 3.3V | 6A | 20W |
PBB13C-5H-SNY | 5V | 6A | 30W |
PBB13C-12H-SNY | 12V | 2.5A | 30W |
PBB13C-15H-SNY | 15V | 2A | 30W |
PBB13C-24H-SNY | 24V | 1.3A | 31W |
PBB13C-3.3J-SNY | 3.3V | 10A | 33W |
PBB13C-5J-SNY | 5V | 10A | 50W |
PBB13C-12J-SNY | 12V | 4.3A | 52W |
PBB13C-15J-SNY | 15V | 3.5A | 52W |
PBB13C-24J-SNY | 24V | 2.1A | 50W |
PBB13C-36J-SNY | 36V | 1.4A | 40W |
PBB13C-48J-SNY | 48V | 1.1A | 53W |
PBB13C-3.3L-SNY | 3.3V | 15A | 49W |
PBB13C-5L-SNY | 5V | 15A | 75W |
PBB13C-12L-SNY | 12V | 6.3A | 76W |
PBB13C-15L-SNY | 15V | 5A | 75W |
PBB13C-24L-SNY | 24V | 3.2A | 77W |
PBB13C-36L-SNY | 36V | 2.1A | 76W |
PBB13C-48L-SNY | 48V | 1.6A | 76W |
PBB13C-3.3M-SNY | 3.3V | 20A | 66W |
PBB13C-5M-SNY | 5V | 20A | 100W |
PBB13C-12M-SNY | 12V | 8.5A | 102W |
PBB13C-15M-SNY | 15V | 6.7A | 100W |
PBB13C-24M-SNY | 24V | 4.3A | 103W |
PBB13C-24MH-SNY | 24V | 4.3A (5.0A PK) | 103W (120W) |
PBB13C-36M-SNY | 36V | 2.8A | 100W |
PBB13C-48M-SNY | 48V | 2.1A | 100W |
PBB13C-3.3R-SNY | 3.3V | 30A | 99W |
PBB13C-5R-SNY | 5V | 30A | 150W |
PBB13C-12R-SNY | 12V | 12.5A | 150W |
PBB13C-15R-SNY | 15V | 10A | 150W |
PBB13C-24R-SNY | 24V | 6.3A | 151W |
PBB13C-24RH-SNY | 24V | 6.3A (7.5A PK) | 151W (180W) |
PBB13C-36R-SNY | 36V | 4.2A | 151W |
PBB13C-48R-SNY | 48V | 3.2A | 154W |
PBB13C-24E-SNY | 24V | 10A | 240W |
PBB13C-24EH-SNY | 24V | 10A (12.5A PK) | 240W (300W) |
PBB13C-36E-SNY | 36V | 6.7A | 241W |
PBB13C-48E-SNY | 48V | 5A | 240W |
PBB13C-5T-SNY | 5V | 40A | 300W |
PBB13C-12T-SNY | 12V | 17A | 324W |
PBB13C-15T-SNY | 15V | 14A | 330W |
PBB13C-24T-SNY | 24V | 12.5A | 336W |
PBB13C-24TH-SNY | 24V | 12.5A (18.8A PK) | 336W (456W) |
PBB13C-36T-SNY | 36V | 8.4A | 338W |
PBB13C-48T-SNY | 48V | 6.3A | 336W |










INPUT | |||||||||||||||||||||||||||||||||||||||||||||||||
---|---|---|---|---|---|---|---|---|---|---|---|---|---|---|---|---|---|---|---|---|---|---|---|---|---|---|---|---|---|---|---|---|---|---|---|---|---|---|---|---|---|---|---|---|---|---|---|---|---|
Input Voltage | 85-264Vac | ||||||||||||||||||||||||||||||||||||||||||||||||
Frequency | 47-63Hz | ||||||||||||||||||||||||||||||||||||||||||||||||
Inrush current | 30A typical at 200V AC. | ||||||||||||||||||||||||||||||||||||||||||||||||
Power factor | 0-90 typ., 50-300W |
OUTPUT | |||||||||||||||||||||||||||||||||||||||||||||||||
---|---|---|---|---|---|---|---|---|---|---|---|---|---|---|---|---|---|---|---|---|---|---|---|---|---|---|---|---|---|---|---|---|---|---|---|---|---|---|---|---|---|---|---|---|---|---|---|---|---|
Output voltage | See Selection Table | ||||||||||||||||||||||||||||||||||||||||||||||||
Voltage adjustment | Typically ±10% | ||||||||||||||||||||||||||||||||||||||||||||||||
Output current | See Selection Table. | ||||||||||||||||||||||||||||||||||||||||||||||||
Minimum load | Unit will operate with zero load | ||||||||||||||||||||||||||||||||||||||||||||||||
Hold up time | 20mS typical (AC in 100V) | ||||||||||||||||||||||||||||||||||||||||||||||||
Regulation | Line: 20-192mv Model Dependant Load: 40-240mv Model Dependant |
||||||||||||||||||||||||||||||||||||||||||||||||
Ripple and noise | Typ. 150mVp-p | ||||||||||||||||||||||||||||||||||||||||||||||||
Temperature drift | 20-192mv Model Dependant | ||||||||||||||||||||||||||||||||||||||||||||||||
Efficiency | Typ. 80% |
PROTECTION | |||||||||||||||||||||||||||||||||||||||||||||||||
---|---|---|---|---|---|---|---|---|---|---|---|---|---|---|---|---|---|---|---|---|---|---|---|---|---|---|---|---|---|---|---|---|---|---|---|---|---|---|---|---|---|---|---|---|---|---|---|---|---|
Safety isolation | Input-Output AC 3,000V 1 minute Input - FG AC 2,000V 1 minute Output - FGAC 500V 1 minute |
||||||||||||||||||||||||||||||||||||||||||||||||
Overvoltage protection | At 115%–140% of rated. | ||||||||||||||||||||||||||||||||||||||||||||||||
Overcurrent protection | Operates over 105% of rating and recovers automatically |
ENVIRONMENTAL | |||||||||||||||||||||||||||||||||||||||||||||||||
---|---|---|---|---|---|---|---|---|---|---|---|---|---|---|---|---|---|---|---|---|---|---|---|---|---|---|---|---|---|---|---|---|---|---|---|---|---|---|---|---|---|---|---|---|---|---|---|---|---|
Operating temperature | -10°C to 70°C. | ||||||||||||||||||||||||||||||||||||||||||||||||
Derating | 2.5%/C after 50C | ||||||||||||||||||||||||||||||||||||||||||||||||
Cooling | Convection. | ||||||||||||||||||||||||||||||||||||||||||||||||
Vibration | 10Hz–55Hz, 2G, 3 mins period for 60 minutes along X, Y and Z axis. | ||||||||||||||||||||||||||||||||||||||||||||||||
Impact | 20G, 11mS, once each along X, Y and Z axis. |
STANDARDS AND APPROVALS | |||||||||||||||||||||||||||||||||||||||||||||||||
---|---|---|---|---|---|---|---|---|---|---|---|---|---|---|---|---|---|---|---|---|---|---|---|---|---|---|---|---|---|---|---|---|---|---|---|---|---|---|---|---|---|---|---|---|---|---|---|---|---|
Safety standards | UL60950-1, CSA 60950-1, EN60950-1, EN50178, | ||||||||||||||||||||||||||||||||||||||||||||||||
C-tick | AS/NZS CISPR11 Group 1 Class A. | ||||||||||||||||||||||||||||||||||||||||||||||||
EMC | EN61204-3, EN61000-6-2, EN61000-4-2, EN61000-4-3, EN61000-4-4, EN61000-4-5, EN61000-4-6, EN61000-4-8, EN61000-4-11 |
MECHANICAL | |||||||||||||||||||||||||||||||||||||||||||||||||
---|---|---|---|---|---|---|---|---|---|---|---|---|---|---|---|---|---|---|---|---|---|---|---|---|---|---|---|---|---|---|---|---|---|---|---|---|---|---|---|---|---|---|---|---|---|---|---|---|---|
Case size | PBB13C-D-SNY 60 x32 x 93.5mm PBB13C-F-SNY 60 x 32 x 107.5mm PBB13C-H-SNY 60 x 36 x 125mm PBB13C-J-SNY 60 x 36 x 132m PBB13C-L-SNY 60 x 33.5 x 162mm PBB13C-M-SNY 72 x 45 x 185mm PBB13C-R-SNY 85 X 47 X 188mm PBB13C-E-SNY 98 X 59 X 212mm PBB13C-T-SNY 95 X 49 X 222mm | ||||||||||||||||||||||||||||||||||||||||||||||||
Cable harness |
Input/output harness supplied with PSU |
MODEL NUMBER |
OUTPUT VOLTAGE |
OUTPUT CURRENT |
POWER |
---|---|---|---|
PBB13C-3.3D-SNY | 3.3V | 2A | 7W |
PBB13C-5D-SNY | 5V | 2A | 10W |
PBB13C-12D-SNY | 12V | 0.9A | 11W |
PBB13C-15D-SNY | 15V | 0.7A | 11W |
PBB13C-24D-SNY | 24V | 0.5A | 12W |
PBB13C-3.3F-SNY | 3.3V | 3A | 10W |
PBB13C-5F-SNY | 5V | 3A | 15W |
PBB13C-12F-SNY | 12V | 1.3A | 15W |
PBB13C-15F-SNY | 15V | 1A | 15W |
PBB13C-24F-SNY | 24V | 0.7A | 17W |
PBB13C-3.3H-SNY | 3.3V | 6A | 20W |
PBB13C-5H-SNY | 5V | 6A | 30W |
PBB13C-12H-SNY | 12V | 2.5A | 30W |
PBB13C-15H-SNY | 15V | 2A | 30W |
PBB13C-24H-SNY | 24V | 1.3A | 31W |
PBB13C-3.3J-SNY | 3.3V | 10A | 33W |
PBB13C-5J-SNY | 5V | 10A | 50W |
PBB13C-12J-SNY | 12V | 4.3A | 52W |
PBB13C-15J-SNY | 15V | 3.5A | 52W |
PBB13C-24J-SNY | 24V | 2.1A | 50W |
PBB13C-36J-SNY | 36V | 1.4A | 40W |
PBB13C-48J-SNY | 48V | 1.1A | 53W |
PBB13C-3.3L-SNY | 3.3V | 15A | 49W |
PBB13C-5L-SNY | 5V | 15A | 75W |
PBB13C-12L-SNY | 12V | 6.3A | 76W |
PBB13C-15L-SNY | 15V | 5A | 75W |
PBB13C-24L-SNY | 24V | 3.2A | 77W |
PBB13C-36L-SNY | 36V | 2.1A | 76W |
PBB13C-48L-SNY | 48V | 1.6A | 76W |
PBB13C-3.3M-SNY | 3.3V | 20A | 66W |
PBB13C-5M-SNY | 5V | 20A | 100W |
PBB13C-12M-SNY | 12V | 8.5A | 102W |
PBB13C-15M-SNY | 15V | 6.7A | 100W |
PBB13C-24M-SNY | 24V | 4.3A | 103W |
PBB13C-24MH-SNY | 24V | 4.3A (5.0A PK) | 103W (120W) |
PBB13C-36M-SNY | 36V | 2.8A | 100W |
PBB13C-48M-SNY | 48V | 2.1A | 100W |
PBB13C-3.3R-SNY | 3.3V | 30A | 99W |
PBB13C-5R-SNY | 5V | 30A | 150W |
PBB13C-12R-SNY | 12V | 12.5A | 150W |
PBB13C-15R-SNY | 15V | 10A | 150W |
PBB13C-24R-SNY | 24V | 6.3A | 151W |
PBB13C-24RH-SNY | 24V | 6.3A (7.5A PK) | 151W (180W) |
PBB13C-36R-SNY | 36V | 4.2A | 151W |
PBB13C-48R-SNY | 48V | 3.2A | 154W |
PBB13C-24E-SNY | 24V | 10A | 240W |
PBB13C-24EH-SNY | 24V | 10A (12.5A PK) | 240W (300W) |
PBB13C-36E-SNY | 36V | 6.7A | 241W |
PBB13C-48E-SNY | 48V | 5A | 240W |
PBB13C-5T-SNY | 5V | 40A | 300W |
PBB13C-12T-SNY | 12V | 17A | 324W |
PBB13C-15T-SNY | 15V | 14A | 330W |
PBB13C-24T-SNY | 24V | 12.5A | 336W |
PBB13C-24TH-SNY | 24V | 12.5A (18.8A PK) | 336W (456W) |
PBB13C-36T-SNY | 36V | 8.4A | 338W |
PBB13C-48T-SNY | 48V | 6.3A | 336W |










Find the Right Model
Model Number | Input Voltage (Vac) | Output Voltage (Vdc) | Output Current (A) | ||
---|---|---|---|---|---|
![]() |
PBB13C-3.3D-SNY | 85...264Vac 50/60Hz | 3.3Vdc | 2A | |
![]() |
PBB13C-5D-SNY | 85...264Vac 50/60Hz | 5Vdc | 2A | |
![]() |
PBB13C-12D-SNY | 85...264Vac 50/60Hz | 12Vdc | 0.9A | |
![]() |
PBB13C-15D-SNY | 85...264Vac 50/60Hz | 15Vdc | 0.7A | |
![]() |
PBB13C-24D-SNY | 85...264Vac 50/60Hz | 24Vdc | 0.5A | |
![]() |
PBB13C-3.3F-SNY | 85...264Vac 50/60Hz | 3.3Vdc | 3A | |
![]() |
PBB13C-5F-SNY | 85...264Vac 50/60Hz | 5Vdc | 3A | |
![]() |
PBB13C-12F-SNY | 85...264Vac 50/60Hz | 12Vdc | 1.3A | |
![]() |
PBB13C-15F-SNY | 85...264Vac 50/60Hz | 15Vdc | 1A | |
![]() |
PBB13C-24F-SNY | 85...264Vac 50/60Hz | 24Vdc | 0.7A | |
![]() |
PBB13C-3.3H-SNY | 85...264Vac 50/60Hz | 3.3Vdc | 6A | |
![]() |
PBB13C-5H-SNY | 85...264Vac 50/60Hz | 5Vdc | 6A | |
![]() |
PBB13C-12H-SNY | 85...264Vac 50/60Hz | 12Vdc | 2.5A | |
![]() |
PBB13C-15H-SNY | 85...264Vac 50/60Hz | 15Vdc | 2A | |
![]() |
PBB13C-24H-SNY | 85...264Vac 50/60Hz | 24Vdc | 1.3A | |
![]() |
PBB13C-3.3J-SNY | 85...264Vac 50/60Hz | 3.3Vdc | 10A | |
![]() |
PBB13C-5J-SNY | 85...264Vac 50/60Hz | 5Vdc | 10A | |
![]() |
PBB13C-12J-SNY | 85...264Vac 50/60Hz | 12Vdc | 4.3A | |
![]() |
PBB13C-15J-SNY | 85...264Vac 50/60Hz | 15Vdc | 3.5A | |
![]() |
PBB13C-24J-SNY | 85...264Vac 50/60Hz | 24Vdc | 2.1A | |
![]() |
PBB13C-36J-SNY | 85...264Vac 50/60Hz | 36Vdc | 1.4A | |
![]() |
PBB13C-48J-SNY | 85...264Vac 50/60Hz | 48Vdc | 1.1A | |
![]() |
PBB13C-3.3L-SNY | 85...264Vac 50/60Hz | 3.3Vdc | 15A | |
![]() |
PBB13C-5L-SNY | 85...264Vac 50/60Hz | 5Vdc | 15A | |
![]() |
PBB13C-12L-SNY | 85...264Vac 50/60Hz | 12Vdc | 6.3A | |
![]() |
PBB13C-15L-SNY | 85...264Vac 50/60Hz | 15Vdc | 5A | |
![]() |
PBB13C-24L-SNY | 85...264Vac 50/60Hz | 24Vdc | 3.2A | |
![]() |
PBB13C-36L-SNY | 85...264Vac 50/60Hz | 36Vdc | 2.1A | |
![]() |
PBB13C-48L-SNY | 85...264Vac 50/60Hz | 48Vdc | 1.6A | |
![]() |
PBB13C-3.3M-SNY | 85...264Vac 50/60Hz | 3.3Vdc | 20A | |
![]() |
PBB13C-5M-SNY | 85...264Vac 50/60Hz | 5Vdc | 20A | |
![]() |
PBB13C-12M-SNY | 85...264Vac 50/60Hz | 12Vdc | 8.5A | |
![]() |
PBB13C-15M-SNY | 85...264Vac 50/60Hz | 15Vdc | 6.7A | |
![]() |
PBB13C-24M-SNY | 85...264Vac 50/60Hz | 24Vdc | 4.3A | |
![]() |
PBB13C-24MH-SNY | 85...264Vac 50/60Hz | 24Vdc | 4.3A (Peak = 5A) | |
![]() |
PBB13C-36M-SNY | 85...264Vac 50/60Hz | 36Vdc | 2.8A | |
![]() |
PBB13C-48M-SNY | 85...264Vac 50/60Hz | 48Vdc | 2.1A | |
![]() |
PBB13C-3.3R-SNY | 85...264Vac 50/60Hz | 3.3Vdc | 30A | |
![]() |
PBB13C-5R-SNY | 85...264Vac 50/60Hz | 5Vdc | 30A | |
![]() |
PBB13C-12R-SNY | 85...264Vac 50/60Hz | 12Vdc | 12.5A | |
![]() |
PBB13C-15R-SNY | 85...264Vac 50/60Hz | 15Vdc | 10A | |
![]() |
PBB13C-24R-SNY | 85...264Vac 50/60Hz | 24Vdc | 6.3A | |
![]() |
PBB13C-24RH-SNY | 85...264Vac 50/60Hz | 24Vdc | 6.3A (Peak = 7.5A) | |
![]() |
PBB13C-36R-SNY | 85...264Vac 50/60Hz | 36Vdc | 4.2A | |
![]() |
PBB13C-48R-SNY | 85...264Vac 50/60Hz | 48Vdc | 3.2A | |
![]() |
PBB13C-24E-SNY | 85...264Vac 50/60Hz | 24Vdc | 10A | |
![]() |
PBB13C-24EH-SNY | 85...264Vac 50/60Hz | 24Vdc | 10A (Peak = 12.5A) | |
![]() |
PBB13C-36E-SNY | 85...264Vac 50/60Hz | 36Vdc | 6.7A | |
![]() |
PBB13C-48E-SNY | 85...264Vac 50/60Hz | 48Vdc | 5A | |
![]() |
PBB13C-5T-SNY | 85...264Vac 50/60Hz | 5Vdc | 40A | |
![]() |
PBB13C-12T-SNY | 85...264Vac 50/60Hz | 12Vdc | 17A | |
![]() |
PBB13C-15T-SNY | 85...264Vac 50/60Hz | 15Vdc | 14A | |
![]() |
PBB13C-24T-SNY | 85...264Vac 50/60Hz | 24Vdc | 12.5A | |
![]() |
PBB13C-24TH-SNY | 85...264Vac 50/60Hz | 24Vdc | 12.5A (Peak = 18.8A) | |
![]() |
PBB13C-36T-SNY | 85...264Vac 50/60Hz | 36Vdc | 8.4A | |
![]() |
PBB13C-48T-SNY | 85...264Vac 50/60Hz | 48Vdc | 6.3A |
Need help finding the right product model?
