New
Battery Chargers
Schaefer B2694-19 | 54.8Vdc | 800W | AC/DC Battery Charger | Wall Mount
The Schaefer B2694-19 is a 54.8Vdc, 800W battery charger designed for railway signalling and level-crossing applications, with Queensland Rail Type Approval C0192 confirming its suitability across both Queensland Rail and Aurizon networks.
Read MoreFeatures
- Queensland Rail Type Approval C0192 - validated for signalling and level crossing applications.
- Natural convection cooling – no fans, reducing potential failure points and increasing long-term reliability.
- High-temperature operation up to 75 °C for stable performance in signalling and equipment huts.
- Conformal-coated electronics and reinforced chassis resist humidity, vibration, and contamination common within the rail corridor.
- Supports parallel and redundant operation with active current sharing for load balancing and system redundancy
- High transient protection, reverse polarity protection, and monitoring via Charger Fail and DC OK relay outputs.
Specifications
Technical Illustrations
Downloads
| INPUT | |
|---|---|
| Voltage Range | 115V AC ±20% or 230V AC +15%/-20%, unit switches off at under- and overvoltage |
| Frequency | 50/60Hz |
| Recommended Input Fuse / MCB | External, 16A time lag / K-characteristic related to MCB`s manufactured by ABB |
| No-load Input Power | Approx. 6W |
| Switch-on Time | 300ms typical |
| Inrush Current | Limiting by thermistor |
| OUTPUT | |
|---|---|
| Voltage | 54.8V DC (adjustable 48 … 64V DC) |
| Current | 13A |
| Recommended Output Fuse | External 16A time lag / B-characteristic related to fuses manufactured by ABB |
| Line Regulation (±10%) | 0.1 % |
| Load Regulation (10-90%) | < 2% |
| Efficiency at Full Load | Approx. 85% |
| Switching Frequency | Approx. 33 kHz |
| Ripple | ≤ 1% +30mVp-p |
| Load Transient (10-90-10%) | 6 % typical |
| Response Time to ±1 % | 2ms typical |
| Turn-on Rise Time | Softstart, 300ms typical |
| Overload Protection | Current limited to 70 ... 110 % of full load |
| Overvoltage Protection | OVP switches off the module at Uout = 70V (with automatic return to operation) |
| Remote Sensing | Sense lines have to be connected to the output or to the load under regard of polarity |
| Redundant Operation | Via installed decoupling diode in the (+) output line |
| Parallel Operation | Includes Current Sharing with Interrupt in case of faulty unit in parallel operation |
| Reverse Polarity Protection | Via anti-parallel diode in the output (output fuse required) |
| Transient and Surge Protection | Varistor on Input and Output to meet 2kV transient/surge in accordance with EN61000-4-4 / EN61000-4-5 |
| MECHANICAL | |
|---|---|
| Mounting Type | Wall |
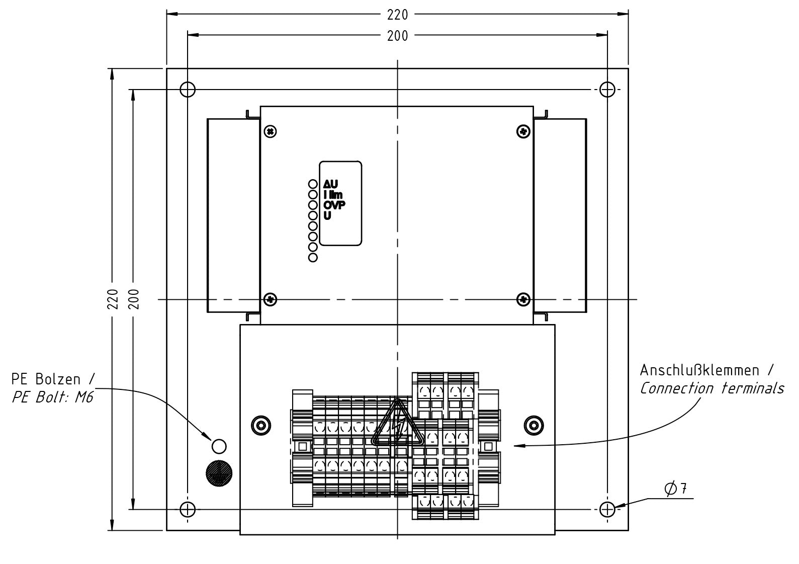
| Dimensions | 220 x 220 x 229mm (LxWxD) |
| Weight | Approx. 6.0 kg |
| Increased Mechanical Strength | For shock and vibration in accordance with EN61373 |
| Protection Category | Acc. to IP20 |
| Mounting Instructions | Only in provided position (cooling fin vertical). Above and below the unit at least 40mm distance to neighbouring parts. |
| ENVIRONMENTAL | |
|---|---|
| Cooling | Natural Convection |
| Humidity | Up to 99% RH, non-condensing due to additional Tropical Protection (Conformal Coating) applied to all PCBs. |
| Temperature Coefficient | 0.02 %/°C typical |
| Operating Temperature | -20°C to +75°C |
| Internal Temperature | Switch 90°C heatsink temperature for emergency power off |
| Load Derating | 2.5 %/°C from +55°C |
| Storage Temperature | -40°C to +85°C |
| ALARMS / MONITORING | |
|---|---|
| Charger Failure | Indicating with relay |
| DC-OK with Relay (output voltage monitoring) | Switching threshold: UOUT>43.2VDC |
| RELIABILITY | |
|---|---|
| MTBF | Approx. 100.000 h at 40°C (in acc. to MIL-HDBK-217E Notice 1) |
| SAFETY & STANDARDS | |
|---|---|
| Safety / Construction | Acc. to to EN/IEC 61010-2-201 + EN/IEC 61010-1 |
| Earth Leakage | < 3.5mA, acc. to EN/IEC 61010-2-201 + EN/IEC 61010-1 |
| EMC Compatibility | Acc. to EN 61000-6-2 / EN 61000-6-4 / EN61000-4-4 / EN61000-4-5 |
| Safety Class | 1 (equipment with protective earth connection) |
| Overvoltage Category | II |
| Pollution Degree | 2 |
| Maximum Installation Altitude | 2000m |
| Isolation Resistance | > 10 MΩ at 500V DC |
| Isolation Test | Acc. to EN/IEC 61010-2-201 + EN/IEC 61010-1 |
| INPUT | |
|---|---|
| Voltage Range | 115V AC ±20% or 230V AC +15%/-20%, unit switches off at under- and overvoltage |
| Frequency | 50/60Hz |
| Recommended Input Fuse / MCB | External, 16A time lag / K-characteristic related to MCB`s manufactured by ABB |
| No-load Input Power | Approx. 6W |
| Switch-on Time | 300ms typical |
| Inrush Current | Limiting by thermistor |
| OUTPUT | |
|---|---|
| Voltage | 54.8V DC (adjustable 48 … 64V DC) |
| Current | 13A |
| Recommended Output Fuse | External 16A time lag / B-characteristic related to fuses manufactured by ABB |
| Line Regulation (±10%) | 0.1 % |
| Load Regulation (10-90%) | < 2% |
| Efficiency at Full Load | Approx. 85% |
| Switching Frequency | Approx. 33 kHz |
| Ripple | ≤ 1% +30mVp-p |
| Load Transient (10-90-10%) | 6 % typical |
| Response Time to ±1 % | 2ms typical |
| Turn-on Rise Time | Softstart, 300ms typical |
| Overload Protection | Current limited to 70 ... 110 % of full load |
| Overvoltage Protection | OVP switches off the module at Uout = 70V (with automatic return to operation) |
| Remote Sensing | Sense lines have to be connected to the output or to the load under regard of polarity |
| Redundant Operation | Via installed decoupling diode in the (+) output line |
| Parallel Operation | Includes Current Sharing with Interrupt in case of faulty unit in parallel operation |
| Reverse Polarity Protection | Via anti-parallel diode in the output (output fuse required) |
| Transient and Surge Protection | Varistor on Input and Output to meet 2kV transient/surge in accordance with EN61000-4-4 / EN61000-4-5 |
| MECHANICAL | |
|---|---|
| Mounting Type | Wall |
| Dimensions | 220 x 220 x 229mm (LxWxD) |
| Weight | Approx. 6.0 kg |
| Increased Mechanical Strength | For shock and vibration in accordance with EN61373 |
| Protection Category | Acc. to IP20 |
| Mounting Instructions | Only in provided position (cooling fin vertical). Above and below the unit at least 40mm distance to neighbouring parts. |
| ENVIRONMENTAL | |
|---|---|
| Cooling | Natural Convection |
| Humidity | Up to 99% RH, non-condensing due to additional Tropical Protection (Conformal Coating) applied to all PCBs. |
| Temperature Coefficient | 0.02 %/°C typical |
| Operating Temperature | -20°C to +75°C |
| Internal Temperature | Switch 90°C heatsink temperature for emergency power off |
| Load Derating | 2.5 %/°C from +55°C |
| Storage Temperature | -40°C to +85°C |
| ALARMS / MONITORING | |
|---|---|
| Charger Failure | Indicating with relay |
| DC-OK with Relay (output voltage monitoring) | Switching threshold: UOUT>43.2VDC |
| RELIABILITY | |
|---|---|
| MTBF | Approx. 100.000 h at 40°C (in acc. to MIL-HDBK-217E Notice 1) |
| SAFETY & STANDARDS | |
|---|---|
| Safety / Construction | Acc. to to EN/IEC 61010-2-201 + EN/IEC 61010-1 |
| Earth Leakage | < 3.5mA, acc. to EN/IEC 61010-2-201 + EN/IEC 61010-1 |
| EMC Compatibility | Acc. to EN 61000-6-2 / EN 61000-6-4 / EN61000-4-4 / EN61000-4-5 |
| Safety Class | 1 (equipment with protective earth connection) |
| Overvoltage Category | II |
| Pollution Degree | 2 |
| Maximum Installation Altitude | 2000m |
| Isolation Resistance | > 10 MΩ at 500V DC |
| Isolation Test | Acc. to EN/IEC 61010-2-201 + EN/IEC 61010-1 |
Find the Right Model
| Model Number | Input Voltage (Vac) | Output Voltage (Vdc) | Output Current (A) | ||
|---|---|---|---|---|---|
|
B2694-19 | 115V AC ±20% or 230V AC +15%/-20% (50/60Hz) | 54.8V DC (adjustable 48 … 64V DC) | 13A |
Need help finding the right product model?
