DC/DC Converters
PRBX DAA Defense Line Series DC/DC Converter
The PRBX DAA Defense Line Series DC/DC Converter is a reliable and versatile solution for defense, industrial, and transportation applications. Delivering up to 500W of power, it ensures efficient and stable operation in demanding environments.
Read MoreFeatures
- Defense dc converter
- 24. 48. 72. 110VDC in
- Output from 3V3 to 48VDC
- Input filtering EN55022 & transient protection
- Reverse polarity protection
- Several outputs. Parallel or series operations up to several kWs
Specifications
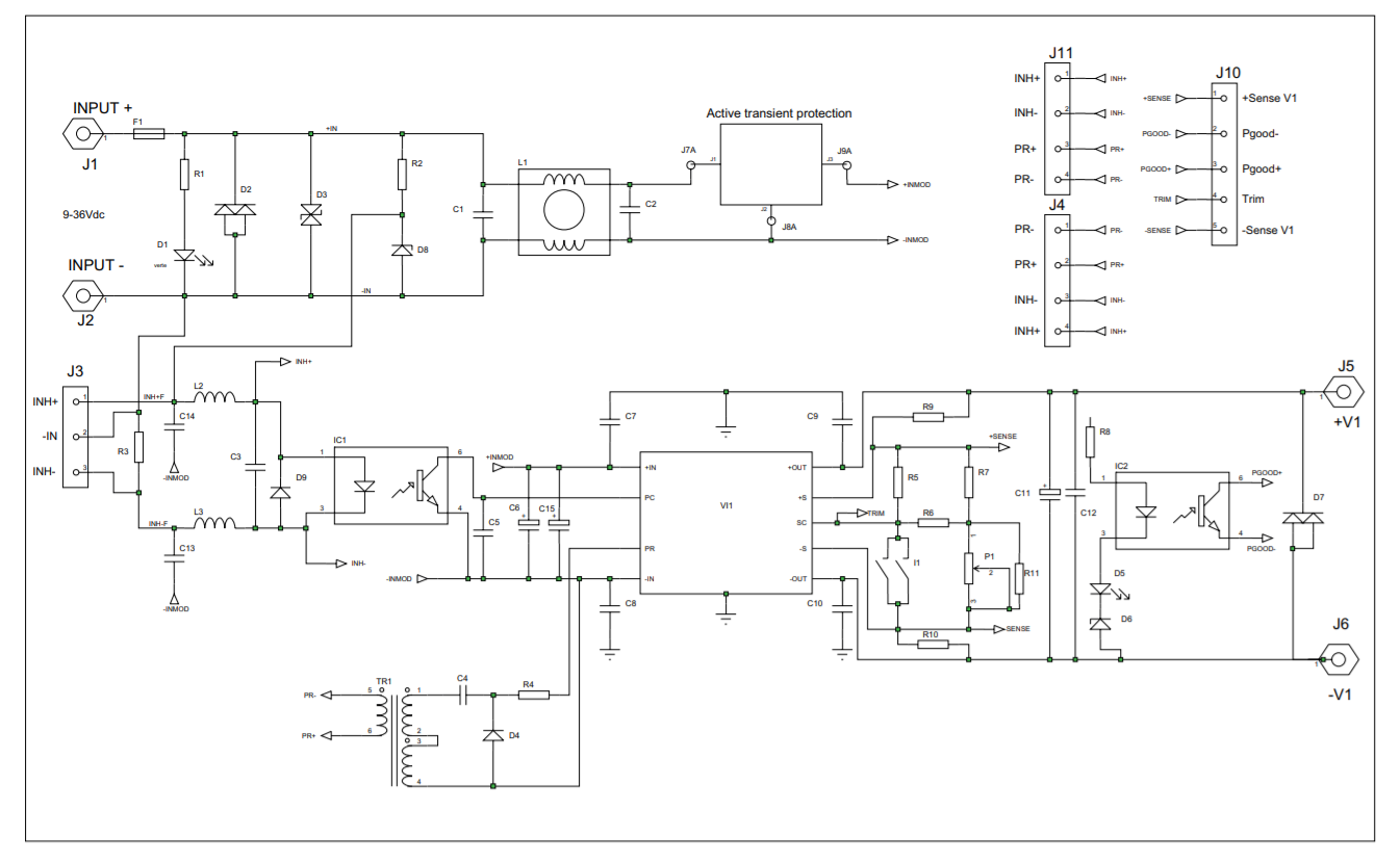
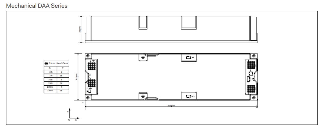
Technical Illustrations
Downloads
ELECTRICAL DATA | |
---|---|
Input voltage | See Find The Right Model Table |
Input fuse | Protects against damages in case of a failure. |
Input transient protection | Yes |
Input reverse polarity | A diode placed internally |
Parallel/series | Possible. |
Redundant operation | Oring diodes are required to ensure proper N+1 operation (included with optional N+1 bus bar). |
Hold-up time | Limited hold-up time. |
Output current limitation | Continously protected against short-circuit. |
Thermal considerations | Baseplate which should not exceed 100°C. |
Thermal protection | OTP protection, automatic restart. |
Primary inhibit | Remote on/off. |
Output voltage adj. | Yes |
Sense lines | Enables compensation of voltage drop. V1, total drop <0.5, negative line drop <0.25 |
Power good | Green LED. |
Paralleling signal | Yes. |
GENERAL | |
---|---|
Electric strength | Input to earth 1500Vrms. Input to output 3000Vrms. Output to earth 500Vrms |
Insulation resistance | >100Mohms |
OPTIONS | |
---|---|
Heatsink (H) | The unit is built as standard with a aluminum baseplate as described in the mechanical data. The converter can be delivered with a 15mm heatsink |
Ruggedized (M) | The unit can be ruggedized to meet MIL-STD810E, MIL-STD461E CE102. M option with 12 and 24Vin will comply with MIL STD 1275A on DAA and DBB only. |
–40°C operation (T) | The thermal grade of the components comply with low ambient temperature. |
Conformal coating (V) | During manufacturing process components and pcb are covered with an acrylic coating to address high level of ambient humidity application. |
ENVIRONMENTAL | |
---|---|
Damp heat | MIL STD 810 Proc. 507-2 |
Shock | MIL STD 810 Proc. 516.3 |
Vibrations | MIL STD 810 Proc. 514-5 |
STANDARDS | |
---|---|
Safety standards | Built to meet IEC60950-1, EN60950-1. |
Railway application | Designed to meet EN50155, EN50121 |
Electromagnetic immunity | |
Supply surge | EN50155. |
Direct transients | EN50155 |
Surges | EN61000-4-5. |
Electrostatic discharge | EN61000-4-2. |
Fast transients/burst | EN61000-4-4 |




ELECTRICAL DATA | |
---|---|
Input voltage | See Find The Right Model Table |
Input fuse | Protects against damages in case of a failure. |
Input transient protection | Yes |
Input reverse polarity | A diode placed internally |
Parallel/series | Possible. |
Redundant operation | Oring diodes are required to ensure proper N+1 operation (included with optional N+1 bus bar). |
Hold-up time | Limited hold-up time. |
Output current limitation | Continously protected against short-circuit. |
Thermal considerations | Baseplate which should not exceed 100°C. |
Thermal protection | OTP protection, automatic restart. |
Primary inhibit | Remote on/off. |
Output voltage adj. | Yes |
Sense lines | Enables compensation of voltage drop. V1, total drop <0.5, negative line drop <0.25 |
Power good | Green LED. |
Paralleling signal | Yes. |
GENERAL | |
---|---|
Electric strength | Input to earth 1500Vrms. Input to output 3000Vrms. Output to earth 500Vrms |
Insulation resistance | >100Mohms |
OPTIONS | |
---|---|
Heatsink (H) | The unit is built as standard with a aluminum baseplate as described in the mechanical data. The converter can be delivered with a 15mm heatsink |
Ruggedized (M) | The unit can be ruggedized to meet MIL-STD810E, MIL-STD461E CE102. M option with 12 and 24Vin will comply with MIL STD 1275A on DAA and DBB only. |
–40°C operation (T) | The thermal grade of the components comply with low ambient temperature. |
Conformal coating (V) | During manufacturing process components and pcb are covered with an acrylic coating to address high level of ambient humidity application. |
ENVIRONMENTAL | |
---|---|
Damp heat | MIL STD 810 Proc. 507-2 |
Shock | MIL STD 810 Proc. 516.3 |
Vibrations | MIL STD 810 Proc. 514-5 |
STANDARDS | |
---|---|
Safety standards | Built to meet IEC60950-1, EN60950-1. |
Railway application | Designed to meet EN50155, EN50121 |
Electromagnetic immunity | |
Supply surge | EN50155. |
Direct transients | EN50155 |
Surges | EN61000-4-5. |
Electrostatic discharge | EN61000-4-2. |
Fast transients/burst | EN61000-4-4 |




Find the Right Model
Model Number | Input Voltage (Vdc) | Output Voltage (Vdc) | Output Current (A) | ||
---|---|---|---|---|---|
![]() |
DAA24-3V3150W | 24Vdc: 9 - 36Vdc | 3.3Vdc: 1.65 - 3.63Vdc | 45A | |
![]() |
DAA24-5175W | 24Vdc: 9 - 36Vdc | 5Vdc: 2.5 - 5.5Vdc | 35A | |
![]() |
DAA24-6V5200W | 24Vdc: 9 - 36Vdc | 6.5Vdc: 3.5 - 7.15Vdc | 30.5A | |
![]() |
DAA24-8200W | 24Vdc: 9 - 36Vdc | 8Vdc: 4 - 8.8Vdc | 25A | |
![]() |
DAA24-12200W | 24Vdc: 9 - 36Vdc | 12Vdc: 6 - 13.2Vdc | 16.6A | |
![]() |
DAA24-15200W | 24Vdc: 9 - 36Vdc | 15Vdc: 7.5 - 16.5Vdc | 13.3A | |
![]() |
DAA24-24200W | 24Vdc: 9 - 36Vdc | 24Vdc: 12 - 26.4Vdc | 8.33A | |
![]() |
DAA24-28200W | 24Vdc: 9 - 36Vdc | 28Vdc: 14 - 30.8Vdc | 7.1A | |
![]() |
DAA24-36200W | 24Vdc: 9 - 36Vdc | 36Vdc: 18 - 39.6Vdc | 5.5A | |
![]() |
DAA24-48200W | 24Vdc: 9 - 36Vdc | 48Vdc: 24 - 52.8Vdc | 4.1A | |
![]() |
DAA24-3V3200 | 24Vdc: 18 - 36Vdc | 3.3Vdc: 1.65 - 3.63Vdc | 60A | |
![]() |
DAA24-3V3264 | 24Vdc: 18 - 36Vdc | 3.3Vdc: 1.65 - 3.63Vdc | 80A | |
![]() |
DAA24-5300 | 24Vdc: 18 - 36Vdc | 5Vdc: 2.5 - 5.5Vdc | 60A | |
![]() |
DAA24-5400 | 24Vdc: 18 - 36Vdc | 5Vdc: 2.5 - 5.5Vdc | 80A | |
![]() |
DAA24-6V5400 | 24Vdc: 18 - 36Vdc | 6.5Vdc: 3.5 - 7.15Vdc | 61A | |
![]() |
DAA24-8300 | 24Vdc: 18 - 36Vdc | 8Vdc: 4 - 8.8Vdc | 37.5A | |
![]() |
DAA24-12300 | 24Vdc: 18 - 36Vdc | 12Vdc: 6 - 13.2Vdc | 25A | |
![]() |
DAA24-12400 | 24Vdc: 18 - 36Vdc | 12Vdc: 6 - 13.2Vdc | 33.3A | |
![]() |
DAA24-12500 | 24Vdc: 18 - 36Vdc | 12Vdc: 6 - 13.2Vdc | 41.6A | |
![]() |
DAA24-15300 | 24Vdc: 18 - 36Vdc | 15Vdc: 7.5 - 16.5Vdc | 20A | |
![]() |
DAA24-15400 | 24Vdc: 18 - 36Vdc | 15Vdc: 7.5 - 16.5Vdc | 26.6A | |
![]() |
DAA24-24300 | 24Vdc: 18 - 36Vdc | 24Vdc: 12 - 26.4Vdc | 12.5A | |
![]() |
DAA24-24400 | 24Vdc: 18 - 36Vdc | 24Vdc: 12 - 26.4Vdc | 16.6A | |
![]() |
DAA24-24500 | 24Vdc: 18 - 36Vdc | 24Vdc: 12 - 26.4Vdc | 20.8A | |
![]() |
DAA24-28300 | 24Vdc: 18 - 36Vdc | 28Vdc: 14 - 30.8Vdc | 10.7A | |
![]() |
DAA24-28400 | 24Vdc: 18 - 36Vdc | 28Vdc: 14 - 30.8Vdc | 14.2A | |
![]() |
DAA24-28500 | 24Vdc: 18 - 36Vdc | 28Vdc: 14 - 30.8Vdc | 17.9A | |
![]() |
DAA24-36300 | 24Vdc: 18 - 36Vdc | 36Vdc: 18 - 39.6Vdc | 8.33A | |
![]() |
DAA24-36400 | 24Vdc: 18 - 36Vdc | 36Vdc: 18 - 39.6Vdc | 11.1A | |
![]() |
DAA24-48300 | 24Vdc: 18 - 36Vdc | 48Vdc: 24 - 52.8Vdc | 6.25A | |
![]() |
DAA24-48400 | 24Vdc: 18 - 36Vdc | 48Vdc: 24 - 52.8Vdc | 8.33A | |
![]() |
DAA48-8400 | 48Vdc: 36 to 75Vdc | 8Vdc: 4 to 8.8Vdc | 50A | |
![]() |
DAA48-12500 | 48Vdc: 36 to 75Vdc | 12Vdc: 6 to 13.2Vdc | 41.6A | |
![]() |
DAA48-15500 | 48Vdc: 36 to 75Vdc | 15Vdc: 7.5 to 16.5Vdc | 33.3A | |
![]() |
DAA48-24500 | 48Vdc: 36 to 75Vdc | 24Vdc: 12 to 26.4Vdc | 20.8A | |
![]() |
DAA48-28500 | 48Vdc: 36 to 75Vdc | 28Vdc: 14 to 30.8Vdc | 17.8A | |
![]() |
DAA48-48500 | 48Vdc: 36 to 75Vdc | 48Vdc: 24 to 52.8Vdc | 10.4A | |
![]() |
DAA48-3V3264 | 48Vdc: 36 - 75Vdc | 3.3Vdc: 1.65 - 3.63Vdc | 80A | |
![]() |
DAA48-5400 | 48Vdc: 36 - 75Vdc | 5Vdc: 2.5 - 5.5Vdc | 80A | |
![]() |
DAA48-36500 | 48Vdc: 36 - 75Vdc | 36Vdc: 18 - 39.6Vdc | 13.9A | |
![]() |
DAA72-5300 | 72Vdc: 43 to 110Vdc | 5Vdc: 2.5 to 5.5Vdc | 60A | |
![]() |
DAA72-8300 | 72Vdc: 43 to 110Vdc | 8Vdc: 4 to 8.8Vdc | 37.5A | |
![]() |
DAA72-12400 | 72Vdc: 43 to 110Vdc | 12Vdc: 6 to 13.2Vdc | 33.3A | |
![]() |
DAA72-15400 | 72Vdc: 43 to 110Vdc | 15Vdc: 7.5 to 16.5Vdc | 26.7A | |
![]() |
DAA72-3V3264 | 72Vdc: 43 to 110Vdc | 3.3Vdc: 1.65 - 3.63Vdc | 80A | |
![]() |
DAA72-24400 | 72Vdc: 43 to 110Vdc | 24Vdc: 12 - 26.4Vdc | 16.6A | |
![]() |
DAA72-28400 | 72Vdc: 43 to 110Vdc | 28Vdc: 14 to 30.8Vdc | 14.2A | |
![]() |
DAA72-36400 | 72Vdc: 43 to 110Vdc | 36Vdc 18 to 39.6Vdc | 11.1A | |
![]() |
DAA72-48400 | 72Vdc: 43 to 110Vdc | 48Vdc: 24 to 52.8Vdc | 8.33A | |
![]() |
DAA110-3V3150 | 110Vdc: 66 to 154Vdc | 3.3Vdc: 1.65 to 3.63Vdc | 45A | |
![]() |
DAA110-3V3200 | 110Vdc: 66 to 154Vdc | 3.3Vdc: 1.65 to 3.63Vdc | 60A | |
![]() |
DAA110-5200 | 110Vdc: 66 to 154Vdc | 5Vdc: 2.5 to 5.5Vdc | 40A | |
![]() |
DAA110-5300 | 110Vdc: 66 to 154Vdc | 5Vdc: 2.5 to 5.5Vdc | 60A | |
![]() |
DAA110-8200 | 110Vdc: 66 to 154Vdc | 8Vdc: 4 to 8.8Vdc | 25A | |
![]() |
DAA110-8300 | 110Vdc: 66 to 154Vdc | 8Vdc: 4 to 8.8Vdc | 37.5A | |
![]() |
DAA110-12300 | 110Vdc: 66 to 154Vdc | 12Vdc: 6 to 13.2Vdc | 25A | |
![]() |
DAA110-12400 | 110Vdc: 66 to 154Vdc | 12Vdc: 6 to 13.2Vdc | 33.3A | |
![]() |
DAA110-15300 | 110Vdc: 66 to 154Vdc | 15Vdc: 7.5 to 16.5Vdc | 20A | |
![]() |
DAA110-15400 | 110Vdc: 66 to 154Vdc | 15Vdc: 7.5 to 16.5Vdc | 26.6A | |
![]() |
DAA110-24300 | 110Vdc: 66 to 154Vdc | 24Vdc: 12 to 26.4Vdc | 12.5A | |
![]() |
DAA110-24400 | 110Vdc: 66 to 154Vdc | 24Vdc: 12 to 26.4Vdc | 16.6A | |
![]() |
DAA110-28300 | 110Vdc: 66 to 154Vdc | 28Vdc: 14 to 30.8Vdc | 10.7A | |
![]() |
DAA110-28400 | 110Vdc: 66 to 154Vdc | 28Vdc: 14 to 30.8Vdc | 14.2A | |
![]() |
DAA110-36300 | 110Vdc: 66 to 154Vdc | 36Vdc: 18 to 39.6Vdc | 8.33A | |
![]() |
DAA110-36400 | 110Vdc: 66 to 154Vdc | 36Vdc: 18 to 39.6Vdc | 11.1A | |
![]() |
DAA110-48300 | 110Vdc: 66 to 154Vdc | 48Vdc: 24 to 52.8Vdc | 6.25A | |
![]() |
DAA110-48400 | 110Vdc: 66 to 154Vdc | 48Vdc: 24 to 52.8Vdc | 8.33A |
Need help finding the right product model?
