Laboratory Power Supplies
Camtec HSEUREG04801 SERIES Laboratory Power Supply
The Camtec HSEUREG04801 Series Laboratory Power Supply is a compact, high-precision, 480W power solution designed for demanding industrial and laboratory applications. Engineered in Germany, this DIN-rail-mounted power supply provides efficient performance with an energy efficiency of up to 90%. It is ideal for applications such as galvanic systems, professional DC drives, test benches, and complex industrial automation setups.
Read MoreFeatures
- 480W voltage 0-Vmax programmable laboratory power supply
- Save 0–Umax programming
- Multi interface 0-10V & 0-20mA
- Sense & Shutdown (remote ON/OFF)
- N+1 parallel operation
- Natural Convection
Specifications
Selection Table
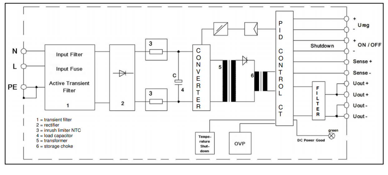
Technical Illustrations
Downloads
GENERAL | |
---|---|
Output Voltage | See selection table |
AC Input Voltage | 90..132Vac / 184..265Vac |
Frequency | 47-63Hz |
DC Input Voltage | 250…375Vdc |
Input Rating | 115Vac<8.8A , 230Vac<4.3A 250Vdc<2.4A 375Vdc<1.6A |
DC Input Voltage | 250…375Vdc |
Sense function | Compensation 2V per lead load, protective electrical separation ≤60Vdc |
Remote Shutdown | Protective electrical separation ≤60Vdc |
Analogue Interface | see table, protective electrical separation ≤60Vdc, working impedance = 500Ω |
Pmax (average) | 480W continuous and ca. 528-540W bower boost for max. 60s (see Power Boost above) |
Derating | +60°C...+70°C 2.5%/°C |
Accuracy | < ± 1.5% Interface |
Latency Interface | 15ms including signal latency for 0-Umax programming |
Load regulation | < ± 0.2% 0-100% |
Response Load Change | <1ms 10-100%, 100-10% |
Base Load | None |
Base Load | None |
Efficiency 230Vac | 90% typical |
Short Circuit Protection | Continuous |
Idling-proof | Yes |
Temperature Control | Yes, thermal shutdown with auto recovery (+70°C, metering distance 10mm) |
Hold Up Time | > 50ms 230Vac |
Inrush Current | < 81A (230Vac) @25°C |
MCB (Miniature Circuit Breaker) | 16A curve B (need to connect 2-3 units to a single 16A MCB? use our ESB101.33 limiter!) |
Soft Start | 100ms typical |
Isolation Path | > 8mm |
Input / Output | Galvanic insulated |
Meantime By Failure (MTBF) | 400000h (IEC61709) |
ENVIRONMENTAL | |
---|---|
Cooling | Natural convection |
Ambient Operating Temp. | - 25°C…+70°C |
Ambient Storage Temp. | - 40°C…+85°C |
Environment | Environment Humidity 95% non-condensing @ 25°C, climate class. 3k3, pollution rate II |
STANDARDS AND APPROVALS | |
---|---|
REACH | EG No. 1907/2006 confirmed |
EMI | EN55022 class B |
EMS | EN61000-6-2,3 |
Safety | EN60950-1, EN60204-1 |
Safety class 1(A) | VDE0805, VDE0100 |
ROHS | 2011/65/EG confirmed |
MECHANICAL | |
---|---|
Dimensions (HxWxD) | 130x200x114,5mm |
Weight | 2900g |
Screw Terminals (In/Out) | AWG20...AWG6 , 0.5...16mm² (76A @ 40°C) |
MODEL | HSEUREG04801.015T | HSEUREG04801.030T | HSEUREG04801.050T |
---|---|---|---|
Rated DC Voltage | 0-15V | 0-30V | 0-50V |
Overvoltage Protection | 18Vdc | 35Vdc | 59Vdc |
Rated DC Current | 26.0A | 16.0A | 10.0A |
Power Boost -25...+60°C <1min. | 28.6A | 17.6A | 11.0A |
Max. DC Current +70°C | 19.5A | 12.0A | 7.5A |
Ripple Peak 230Vac 20MHz | 40mVpp | 50mVpp | 100mVpp |
MODEL | HSEUREG04801.090T | HSEUREG04801.130T | HSEUREG04801.180T |
---|---|---|---|
Rated DC Voltage | 0-90V | 0-130V | 0-180V |
Overvoltage Protection | 105Vdc | 150Vdc | 210Vdc |
Rated DC Current | 5.3A | 3.7A | 2.7A |
Power Boost -25...+60°C <1min. | 5.8A | 4.1A | 3.0A |
Max. DC Current +70°C | 4.0A | 2.8A | 2.0A |
Ripple Peak 230Vac 20MHz | 150mVpp | 200mVpp | 300mVpp |
OPTIONS | |
---|---|
Screw Terminal Plug | Optional Plug for the interface, 2 poles LS5,08 180°cabling, |
ADTW201 | Optional DC-repeater 1:1 with no losses for save interface separation >60Vdc |
Protective Coating | Ask for technical support and quotation |





GENERAL | |
---|---|
Output Voltage | See selection table |
AC Input Voltage | 90..132Vac / 184..265Vac |
Frequency | 47-63Hz |
DC Input Voltage | 250…375Vdc |
Input Rating | 115Vac<8.8A , 230Vac<4.3A 250Vdc<2.4A 375Vdc<1.6A |
DC Input Voltage | 250…375Vdc |
Sense function | Compensation 2V per lead load, protective electrical separation ≤60Vdc |
Remote Shutdown | Protective electrical separation ≤60Vdc |
Analogue Interface | see table, protective electrical separation ≤60Vdc, working impedance = 500Ω |
Pmax (average) | 480W continuous and ca. 528-540W bower boost for max. 60s (see Power Boost above) |
Derating | +60°C...+70°C 2.5%/°C |
Accuracy | < ± 1.5% Interface |
Latency Interface | 15ms including signal latency for 0-Umax programming |
Load regulation | < ± 0.2% 0-100% |
Response Load Change | <1ms 10-100%, 100-10% |
Base Load | None |
Base Load | None |
Efficiency 230Vac | 90% typical |
Short Circuit Protection | Continuous |
Idling-proof | Yes |
Temperature Control | Yes, thermal shutdown with auto recovery (+70°C, metering distance 10mm) |
Hold Up Time | > 50ms 230Vac |
Inrush Current | < 81A (230Vac) @25°C |
MCB (Miniature Circuit Breaker) | 16A curve B (need to connect 2-3 units to a single 16A MCB? use our ESB101.33 limiter!) |
Soft Start | 100ms typical |
Isolation Path | > 8mm |
Input / Output | Galvanic insulated |
Meantime By Failure (MTBF) | 400000h (IEC61709) |
ENVIRONMENTAL | |
---|---|
Cooling | Natural convection |
Ambient Operating Temp. | - 25°C…+70°C |
Ambient Storage Temp. | - 40°C…+85°C |
Environment | Environment Humidity 95% non-condensing @ 25°C, climate class. 3k3, pollution rate II |
STANDARDS AND APPROVALS | |
---|---|
REACH | EG No. 1907/2006 confirmed |
EMI | EN55022 class B |
EMS | EN61000-6-2,3 |
Safety | EN60950-1, EN60204-1 |
Safety class 1(A) | VDE0805, VDE0100 |
ROHS | 2011/65/EG confirmed |
MECHANICAL | |
---|---|
Dimensions (HxWxD) | 130x200x114,5mm |
Weight | 2900g |
Screw Terminals (In/Out) | AWG20...AWG6 , 0.5...16mm² (76A @ 40°C) |
MODEL | HSEUREG04801.015T | HSEUREG04801.030T | HSEUREG04801.050T |
---|---|---|---|
Rated DC Voltage | 0-15V | 0-30V | 0-50V |
Overvoltage Protection | 18Vdc | 35Vdc | 59Vdc |
Rated DC Current | 26.0A | 16.0A | 10.0A |
Power Boost -25...+60°C <1min. | 28.6A | 17.6A | 11.0A |
Max. DC Current +70°C | 19.5A | 12.0A | 7.5A |
Ripple Peak 230Vac 20MHz | 40mVpp | 50mVpp | 100mVpp |
MODEL | HSEUREG04801.090T | HSEUREG04801.130T | HSEUREG04801.180T |
---|---|---|---|
Rated DC Voltage | 0-90V | 0-130V | 0-180V |
Overvoltage Protection | 105Vdc | 150Vdc | 210Vdc |
Rated DC Current | 5.3A | 3.7A | 2.7A |
Power Boost -25...+60°C <1min. | 5.8A | 4.1A | 3.0A |
Max. DC Current +70°C | 4.0A | 2.8A | 2.0A |
Ripple Peak 230Vac 20MHz | 150mVpp | 200mVpp | 300mVpp |
OPTIONS | |
---|---|
Screw Terminal Plug | Optional Plug for the interface, 2 poles LS5,08 180°cabling, |
ADTW201 | Optional DC-repeater 1:1 with no losses for save interface separation >60Vdc |
Protective Coating | Ask for technical support and quotation |





Find the Right Model
Model Number | Input Voltage (Vac) | Output Voltage Range (Vdc) | Output Current Range (A) | ||
---|---|---|---|---|---|
![]() |
HSEUREG04801.015(R2) | 90..132Vac / 184..265Vac | 0 - 15Vdc | 26A | |
![]() |
HSEUREG04801.030(R2) | 90..132Vac / 184..265Vac | 0 - 30Vdc | 16A | |
![]() |
HSEUREG04801.050(R2) | 90..132Vac / 184..265Vac | 0 - 50Vdc | 10A | |
![]() |
HSEUREG04801.090(R2) | 90..132Vac / 184..265Vac | 0 – 90Vdc | 5.3A | |
![]() |
HSEUREG04801.130(R2) | 90..132Vac / 184..265Vac | 0 – 130Vdc | 3.7A | |
![]() |
HSEUREG04801.180(R2) | 90..132Vac / 184..265Vac | 0 – 180Vdc | 2.7A |
Need help finding the right product model?
