Camtec HSEUIREG04801 SERIES Laboratory Power Supply
The Camtec HSEUiREG04801 Series Laboratory Power Supply is a high-performance, precision-engineered power solution designed for demanding laboratory and industrial applications. Delivering up to 480W of power with an efficiency of up to 90%, this DIN-rail-mounted unit offers exceptional reliability and adaptability. Ideal for automation, testing, and research environments, it provides stable and precise power under dynamic load conditions.
Read MoreFeatures
- 480W Programmable Power Supply
- Current and voltage programmable
- DIN Rail 35mm & wall mount. Metal housing
- 90% efficiency . Natural convection
- -25°C...+60°C full output power
- Continuous short circuit protected
GENERAL | |
---|---|
Output Voltage | See selection table |
AC Input Voltage | 90..132Vac / 184..265Vac |
Frequency | 47-63Hz |
DC Input Voltage | 250…375Vdc |
AC Input Rating | 115Vac<8.8A, 230Vac<4.3A |
DC Input Rating | 250Vdc<2.4A, 375Vdc<1.6A (input selector set to 230Vac rated) |
Pmax | 480W continuous |
Operation Failure Relay | Yes, break contact, protective electrical separation ≤60Vdc |
Sense Function | Compensation 2V per lead load, protective electrical separation ≤60Vdc |
Remote Shutdown | Yes, protective electrical separation ≤60Vdc |
Analogue Interface | Yes, protective electrical separation ≤60Vdc |
Digital Interface | Yes, available option (incl. Software), protective electrical separation ≤400Vdc |
Derating | Yes, available option (incl. Software), protective electrical separation ≤400Vdc |
Accurancy | < ± 1.5% interface |
Load Regulation | < ± 0.05% 0-100% |
Slew Rate | 15ms rise time 0V...Umax |
Response Load Change | <1ms 10-100%, 100-10% |
Base Load | None |
Efficiency 230Vac | 90% typical |
Short Circuit Protection | Continuous |
Idling-proof | Yes, continuous |
Temperature Control | Yes, thermal shutdown with auto recovery (+70°C, metering distance 10mm) |
Hold Up Time | >50ms 230Vac |
Inrush Current | <9,8Aeff < 13.8Apeak (230Vac) active inrush current limiter |
Softstart | 100ms typical |
RELIABILITY | |
---|---|
Isolation Path | > 8mm |
Input / Output | Galvanic insulated 3000Vac |
MTBF | 400000h (IEC61709) |
ENVIRONMENTAL | |
---|---|
Cooling | Natural convection |
Ambient Operating Temp. | - 25°C…+70°C |
Ambient Storage Temp. | - 40°C…+85°C |
Environment | Humidity 95% non-condensing @ 25°C, climate class. 3k3, pollution rate II |
STANDARDS AND APPROVALS | |
---|---|
EMI | EN55022 class B |
EMS | EN61000-6-2,3 |
EMS | EN61000-6-2,3 |
Safety | EN60950-1, EN60204-1 |
Safety class 1(A) | VDE0805, VDE0100 |
MECHANICAL | |
---|---|
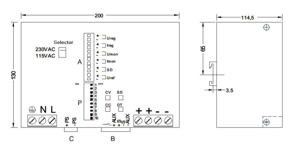
Dimensions (HxWxD) | 130x200x114,5mm |
Weight | 2900g |
Screw Terminals (In/Out) | AWG20...AWG6 , 0,5...16mm² |
MODEL | HSEUiREGO04801.18T | HSEUiREGO04801.30T | HSEUiREGO04801.50T | HSEUiREGO04801.90T |
---|---|---|---|---|
Rated DC Voltage | 0 - 18V | 0 - 30V | 0 - 50V | 0 - 90V |
Overvoltage Protection | 22Vdc | 35Vdc | 59Vdc | 105Vdc |
Max. DC Current -25°C...+60°C | 0 - 40A | 0 - 24A | 0 - 15A | 0 - 8A |
Max. DC Current +70°C | 0 - 30A | 0 - 18A | 0 - 11.3A | 0 - 6A |
Ripple Peak 230Vac 20MHz | 40mVpp | 40mVpp | 100mVpp | 150mVpp |
MODEL | HSEUiREG04801.130T | HSEUiREG04801.180T | HSEUiREG04801.240T |
---|---|---|---|
Rated DC Voltage | 0 - 130V | 0 - 180V | 0 - 240V |
Overvoltage Protection | 150Vdc | 210Vdc | 280Vdc |
Max. DC Current -25°C...+60°C | 0 - 5.5A | 0 - 0.4A | 0 - 0.3A |
Max. DC Current +70°C | 0 - 4.1A | 0 - 0.3A | 0 - 0.2A |
Ripple Peak 230Vac 20MHz | 200mVpp | 300mVpp | 400mVpp |
Optional Coating (option C): We offer the USEUIreg-series with optional coating. It is to be used in e.g. dusty, dirty, high humidity, or in awaiting quick temperature changes. Short circuit and corrosion at print board lines and at solder points can be prevented. The coat itself is a transparent acrylic resin. It is procured with a robotics varnishing machine. Peters SL 1306 N-FLZ (transparent) IEC60216-1 2001, IPC-CC-830B, UL listed as permanent coating FileNo.: E80315 , UL94V-0 . Ordering Information: ad extension C to the type number: HSEUIreg04801.180TC




GENERAL | |
---|---|
Output Voltage | See selection table |
AC Input Voltage | 90..132Vac / 184..265Vac |
Frequency | 47-63Hz |
DC Input Voltage | 250…375Vdc |
AC Input Rating | 115Vac<8.8A, 230Vac<4.3A |
DC Input Rating | 250Vdc<2.4A, 375Vdc<1.6A (input selector set to 230Vac rated) |
Pmax | 480W continuous |
Operation Failure Relay | Yes, break contact, protective electrical separation ≤60Vdc |
Sense Function | Compensation 2V per lead load, protective electrical separation ≤60Vdc |
Remote Shutdown | Yes, protective electrical separation ≤60Vdc |
Analogue Interface | Yes, protective electrical separation ≤60Vdc |
Digital Interface | Yes, available option (incl. Software), protective electrical separation ≤400Vdc |
Derating | Yes, available option (incl. Software), protective electrical separation ≤400Vdc |
Accurancy | < ± 1.5% interface |
Load Regulation | < ± 0.05% 0-100% |
Slew Rate | 15ms rise time 0V...Umax |
Response Load Change | <1ms 10-100%, 100-10% |
Base Load | None |
Efficiency 230Vac | 90% typical |
Short Circuit Protection | Continuous |
Idling-proof | Yes, continuous |
Temperature Control | Yes, thermal shutdown with auto recovery (+70°C, metering distance 10mm) |
Hold Up Time | >50ms 230Vac |
Inrush Current | <9,8Aeff < 13.8Apeak (230Vac) active inrush current limiter |
Softstart | 100ms typical |
RELIABILITY | |
---|---|
Isolation Path | > 8mm |
Input / Output | Galvanic insulated 3000Vac |
MTBF | 400000h (IEC61709) |
ENVIRONMENTAL | |
---|---|
Cooling | Natural convection |
Ambient Operating Temp. | - 25°C…+70°C |
Ambient Storage Temp. | - 40°C…+85°C |
Environment | Humidity 95% non-condensing @ 25°C, climate class. 3k3, pollution rate II |
STANDARDS AND APPROVALS | |
---|---|
EMI | EN55022 class B |
EMS | EN61000-6-2,3 |
EMS | EN61000-6-2,3 |
Safety | EN60950-1, EN60204-1 |
Safety class 1(A) | VDE0805, VDE0100 |
MECHANICAL | |
---|---|
Dimensions (HxWxD) | 130x200x114,5mm |
Weight | 2900g |
Screw Terminals (In/Out) | AWG20...AWG6 , 0,5...16mm² |
MODEL | HSEUiREGO04801.18T | HSEUiREGO04801.30T | HSEUiREGO04801.50T | HSEUiREGO04801.90T |
---|---|---|---|---|
Rated DC Voltage | 0 - 18V | 0 - 30V | 0 - 50V | 0 - 90V |
Overvoltage Protection | 22Vdc | 35Vdc | 59Vdc | 105Vdc |
Max. DC Current -25°C...+60°C | 0 - 40A | 0 - 24A | 0 - 15A | 0 - 8A |
Max. DC Current +70°C | 0 - 30A | 0 - 18A | 0 - 11.3A | 0 - 6A |
Ripple Peak 230Vac 20MHz | 40mVpp | 40mVpp | 100mVpp | 150mVpp |
MODEL | HSEUiREG04801.130T | HSEUiREG04801.180T | HSEUiREG04801.240T |
---|---|---|---|
Rated DC Voltage | 0 - 130V | 0 - 180V | 0 - 240V |
Overvoltage Protection | 150Vdc | 210Vdc | 280Vdc |
Max. DC Current -25°C...+60°C | 0 - 5.5A | 0 - 0.4A | 0 - 0.3A |
Max. DC Current +70°C | 0 - 4.1A | 0 - 0.3A | 0 - 0.2A |
Ripple Peak 230Vac 20MHz | 200mVpp | 300mVpp | 400mVpp |
Optional Coating (option C): We offer the USEUIreg-series with optional coating. It is to be used in e.g. dusty, dirty, high humidity, or in awaiting quick temperature changes. Short circuit and corrosion at print board lines and at solder points can be prevented. The coat itself is a transparent acrylic resin. It is procured with a robotics varnishing machine. Peters SL 1306 N-FLZ (transparent) IEC60216-1 2001, IPC-CC-830B, UL listed as permanent coating FileNo.: E80315 , UL94V-0 . Ordering Information: ad extension C to the type number: HSEUIreg04801.180TC




Find the Right Model
Model Number | Input Voltage (Vac) | Output Voltage Range (Vdc) | Output Current Range (A) | ||
---|---|---|---|---|---|
![]() |
HSEUiREG04801.018 (R2) | 90..132Vac / 184..265Vac | 0 - 18Vdc | 0 - 40A | |
![]() |
HSEUiREG04801.030(R2) | 90..132Vac / 184..265Vac | 0 - 30Vdc | 0 - 24A | |
![]() |
HSEUiREG04801.050(R2) | 90..132Vac / 184..265Vac | 0 - 50Vdc | 0 - 15A | |
![]() |
HSEUiREG04801.090(R2) | 90..132Vac / 184..265Vac | 0 - 90Vdc | 0 - 8A | |
![]() |
HSEUiREG04801.130(R2) | 90..132Vac / 184..265Vac | 0 - 130Vdc | 0 - 5.5A | |
![]() |
HSEUiREG04801.180(R2) | 90..132Vac / 184..265Vac | 0 - 180Vdc | 0 - 4A | |
![]() |
HSEUiREG04801.240(R2) | 90..132Vac / 184..265Vac | 0 - 240Vdc | 0 - 3A | |
![]() |
HSEUiREG04801.018PS(R2) | 90..132Vac / 184..265Vac | 0 - 18Vdc | 0 - 40A | |
![]() |
HSEUiREG04801.030PS(R2) | 90..132Vac / 184..265Vac | 0 - 30Vdc | 0 - 24A | |
![]() |
HSEUiREG04801.050PS(R2) | 90..132Vac / 184..265Vac | 0 - 50Vdc | 0 - 15A | |
![]() |
HSEUiREG04801.090PS(R2) | 90..132Vac / 184..265Vac | 0 - 90Vdc | 0 - 8A | |
![]() |
HSEUiREG04801.130PS(R2) | 90..132Vac / 184..265Vac | 0 - 130Vdc | 0 - 5.5A | |
![]() |
HSEUiREG04801.180PS(R2) | 90..132Vac / 184..265Vac | 0 - 180Vdc | 0 - 4A | |
![]() |
HSEUiREG04801.240PS(R2) | 90..132Vac / 184..265Vac | 0 - 240Vdc | 0 - 3A |
Need help finding the right product model?
